LT7045B

LAZERINĖS SPINDULIUOTĖS IMPULSO TRUKMĖS IR ENERGIJOS VALDYMO BŪDAS, ĮRENGINYS BŪDUI REALIZUOTI IR LAZERINĖ SISTEMA SU INTEGRUOTU ĮRENGINIU

METHOD FOR CONTROLLING PULSE DURATION AND ENERGY OF LASER RADIATION, DEVICE FOR IMPLEMENTING THE METHOD, AND LASER SYSTEM WITH THE INTEGRATED DEVICE

Referatas

[LT] Išradimas yra susijęs su būdais ir įrenginiais valdyti lazerinės spinduliuotės impulso fazinę moduliaciją ir trukmę. Tuo pačiu yra valdoma ir impulso energija. Šio išradimo įrenginys turi žiedinę optinę grandinę, pasižyminčią pluošto difrakcijos kompensavimo, dispersijos ir stiprinimo savybėmis. Ultratrumpasis įėjimo impulsas atlieka iš anksto nustatytą apėjimų skaičių. Kiekvieno žiedinės optinės grandinės apėjimo metu yra suformuojamas pastiprintas faziškai moduliuotas impulsas, kurio dalis yra išvedama kaip išėjimo impulsas. Yra suformuojama išėjimo impulsų seka, kurios impulsai yra vis kitokios trukmės. Optiniu raktu iš minėtos impulsų sekos yra išskiriamas vienas reikiamos trukmės išėjimo impulsas. Kadangi kiekviename žiedinės optinės grandinės apėjime impulso energija yra atstatoma arba padidinama, apėjimų skaičius yra neribojamas. Impulsų trukmė yra keičiama plačiose ribose nuo kelių šimtų femtosekundžių iki kelių dešimčių nanosekundžių, išlaikant koherentiškumo ilgį, neviršijantį 300 μm. Šio išradimo įrenginys gali būti pritaikytas kaip labai kompaktiškas, lanksčių parametrų, vien tik elektroniškai valdomas impulsų plėstuvas faziškai moduliuotų impulsų stiprinimo sistemoje.

[EN] This invention relates to methods and devices for controlling a chirp and duration of a laser radiation pulse. At the same time, pulse energy is also controlled. The device of the present invention includes an annular optical circuit featuring laser beam diffraction compensation, dispersion, and amplification. The ultrashort input pulse makes a predetermined number of roundtrips. During each roundtrip of the annular optical circuit, an amplified phase-modulated (chirped) pulse is formed, part of which is outcoupled as an output pulse. A sequence of output pulses of different durations is formed. One output pulse of the required duration is extracted from said sequence of output pulses with the help of an optical switch. Since the energy of the pulse is restored or increased at each roundtrip of the annular optical circuit, the number of roundtrips is unlimited. Duration of the pulses is varied within a wide range of values from several hundred femtoseconds to several tens of nanoseconds, preserving a coherence length not larger than 300 μm. The device of the present invention can be used as a very compact, purely electronically controlled and with flexible parameters pulse stretcher in a chirped pulse amplification system.

Aprašymas

[0001] TECHNIKOS SRITIS

[0002] Išradimas yra susijęs su būdais ir įrenginiais valdyti lazerinės spinduliuotės impulso fazinę moduliaciją ir trukmę. Konkrečiau, išradime aprašytu optiniu įrenginiu yra keičiama ultratrumpųjų impulsų pirminio lazerinio šaltinio impulso fazinė moduliacija (čirpas), o tuo pačiu ir trukmė, išsaugant mažą koherentiškumo ilgį. Minėtas optinis įrenginys yra optinė grandinė, pasižyminti pluošto difrakcijos kompensavimo, dispersijos ir stiprinimo savybėmis, į kurią patekęs ultratrumpasis lazerinis impulsas atlieka iš anksto nustatytą apėjimų skaičių. Impulsų trukmė priklauso nuo apėjimų skaičiaus ir yra keičiama plačiose ribose nuo kelių šimtų femtosekundžių iki kelių dešimčių nanosekundžių. Dėl integruoto stiprintuvo išėjimo impulso energija gali būti valdoma nepriklausomai.

[0003] TECHNIKOS LYGIS

[0004] Daugelyje taikymų yra naudojami impulsiniai lazeriniai šaltiniai. Medžiagų apdirbime, metrologijoje, moksliniuose tyrimuose, ar medicinoje yra naudojami tiek nanosekundiniai (ns), tiek ir ultratrumpųjų impulsų – pikosekundiniai (ps) arba femtosekundiniai (fs) – lazeriai. Medžiagų apdirbime lazerinis šaltinis su valdoma impulsų trukme nuo kelių šimtų fs iki kelių dešimčių ns būtų universalus įrankis, nes būtų galima pasiekti skirtingus sąveikos su medžiaga režimus. Ir bet kokiame kitame taikyme lazerinis šaltinis su plačiose ribose keičiamomis spinduliuotės savybėmis leidžia pasiekti optimaliausią darbinį režimą. Nanosekundiniai impulsai su mažu koherentiškumo ilgiu gali būti naudojami įvairiuose optinės koherentinės tomografijos metoduose, išvengiant netiesinės sąveikos su tyrimų objektu ir pagerinant signalas-triukšmas santykį.

[0005] Dažnai yra naudojama daugiapakopė lazerinė sistema, sudaryta iš užkrato šaltinio ir galios stiprintuvo, kurioje spinduliuotė patiria formavimą tiek pradiniame etape, tiek ir stiprinimo metu. Užkrato šaltinis yra sudarytas iš lazerinio osciliatoriaus ir papildomų elementų, valdančių laikines ir/ar spektrines charakteristikas. Paties lazerinio osciliatoriaus impulsų trukmė, visų pirma, priklauso nuo pasirinktos aktyviosios terpės: siaurajuostėmis terpėmis gaunami ns ir ps impulsai. Fs impulsams gauti yra reikalingos plačiajuostės lazerinės terpės, kurių stiprinimo juostos spektro plotis viršija maždaug 15 cm-1 (pavyzdžiui, apie 1,5 nm ties 1030 nm bangos ilgiu). Ultratrumpajai impulso trukmei pasiekti taip pat reikalinga osciliatoriaus išilginių rezonatoriaus modų sinchronizacija bei rezonatoriaus dispersijos kompensacija.

[0006] Yra išvystyti tiek kietakūniai femtosekundiniai lazeriniai osciliatoriai (pagaminti titano-safyro, iterbio, tulio, holmio ar erbio jonais legiruotų kristalų bei stiklų pagrindu, arba kitais jonais legiruotų stiklų pagrindu), tiek ir skaiduliniai femtosekundiniai lazeriniai osciliatoriai (kuriuose aktyvioji terpė yra iterbio, erbio, tulio, holmio ar kitų elementų jonais legiruotos optinės skaidulos). Tarp pikosekundinių dominuoja kietakūniai lazeriniai osciliatoriai, kuriuose aktyvioji terpė dažniausiai yra neodimio jonais legiruotas kristalas. Taip pat egzistuoja skaiduliniai pikosekundiniai osciliatoriai, kuriuose aktyvioji terpė yra aukščiau minėtos retųjų žemės elementų jonais legiruotos optinės skaidulos, ir rezonatorius turi tam tikras spektro filtravimo savybes. Skaiduliniai lazeriniai moduliai yra žymiai kompaktiškesni už kietakūnius ir reikalauja paprastesnių aušinimo sprendimų, be to, savaime užtikrina gerą lazerinio pluošto erdvinę kokybę. Tačiau dėl mažo modos diametro gali dirbti tik iki tam tikros smailinės galios iki pasireiškiant netiesiškumams arba pažeidimui. Pastaruoju metu vis labiau populiarėja hibridinės sistemos, kuriose užkrato šaltiniai yra skaiduliniai, o stiprintuvai didesnei impulsų energijai pasiekti – kietakūniai.

[0007] Skaiduliniai osciliatoriai paprastai turi tam tikrą rezonatoriaus parametrų rinkinį, su kuriuo stabiliai dirba, o nukrypus nuo jo – išeinama iš stabilaus darbinio režimo. Taigi platus spinduliuotės charakteristikų pasirinkimas iš to paties osciliatoriaus sunkiai realizuojamas. Viena iš charakteristikų, kurią vartotojas norėtų pasirinkti, yra impulso trukmė. Įprastos femtosekundinio osciliatoriaus impulso trukmės derinimo ribos yra: nuo dešimčių iki šimtų femtosekundžių arba nuo šimtų fs iki dešimčių ps arba nuo šimtų ps iki dešimčių ns. Naudojant išorinį spinduliuotės laikinių ir spektrinių charakteristikų formuotuvą: nuo 100 fs iki 10 ps arba nuo 500 fs iki 1 ns. Dažniausiai vienu impulsų plėstuvu (arba spaustuvu) neįmanoma pasiekti plataus impulsų trukmės derinimo diapazono. O sprendimai su spektro filtravimu, skirtu sumažinti spinduliuotės spektro plotį, yra nepritaikomi, jei siekiama mažo koherentiškumo ilgio.

[0008] RU119946U1 (Kobtsev et al.) aprašo skaidulinį osciliatorių, dirbantį pasyvios modų sinchronizacijos režime, kurio impulsų trukmė yra derinama keičiant rezonatoriaus ilgį. Rezonatoriaus ilgio derinimas atliekamas sukonstravus ne ištisinį rezonatorių, o su trūkiu: skaidulos atkarpa yra prijungiama jos nevirinant, o tiesiog per artimą kontaktą. Įterpiama atkarpa gali turėti skirtingą ilgį. Dėl keičiamo rezonatoriaus ilgio modų sinchronizacija vyksta tarp didesnio ar mažesnio išilginių modų skaičiaus, tad galiausiai gaunamas skirtingos trukmės impulsas. Pagrindinis šio sprendimo trūkumas yra pats principas – mechaniškai kaitalioti įterpiamą skaidulos atkarpą. Kadangi modų sinchronizacija yra atliekama netiesinės poliarizacijos evoliucijos principu, toks rezonatoriaus komponentų kaitaliojimas gali lemti parametrų neatsikartojamumą. Kitas trūkumas: varijuojamas rezonatoriaus ilgis keičia ir osciliatoriaus pasikartojimo dažnį, o tuo pačiu ir impulsų energiją. Galiausiai, skirtingų ilgių skaidulos atkarpos iš esmės keičia rezonatoriaus dispersiją, tad femtosekundiniam osciliatoriui būtų sunkiau pritaikomas. Pasiektas impulso trukmės derinimo diapazonas yra intervale nuo maždaug 1 ps (kai įterptos skaidulos atkarpos ilgis < 1 m) iki maždaug 1 ns (kai įterptos skaidulos atkarpos ilgis siekia 1 km). Generuojami impulsai yra arti spektriškai ribotų trukmių derinimo diapazone, tad koherentiškumo ilgis viršija impulso užimamą ilgį erdvėje.

[0009] WO2015084211A1 (Kobtsev et al.) aprašo panašų sprendimą – skaidulinį osciliatorių su keičiama rezonatoriaus konfigūracija, kur perjungimas į kitą rezonatoriaus atkarpą yra atliekamas elektroniškai. Skirtingos rezonatoriaus atkarpos, kurios yra alternatyviai naudojamos, turi elementus, užtikrinančius skirtingus lazerio veikos režimus: pasyvios, aktyvios arba hibridinės (pasyvios ir aktyvios) modų sinchronizacijos arba kokybės moduliacijos. Priklausomai nuo režimo ir prijungtos rezonatoriaus atkarpos ilgio, galimos nuo 100 fs iki 10 ns impulsų trukmės, tačiau derinimas per visą šį intervalą nėra galimas, tik pasirinkimas iš tiek verčių, kiek yra prijungtų skirtingų rezonatoriaus atšakų. Generuojami impulsai yra artimi spektriškai ribotiems.

[0010] Šio išradimo pareiškėjai į Europos patentų tarnybą padavė patentinę paraišką nr. 21196873.0 (A.Michailovas et al.; prioriteto data: 2021-09-15), aprašančią būdą ir įrenginį būdui realizuoti, skirtą lazerio spinduliuotės spektriniam formavimui siekiant gauti nuo dešimčių pikosekundžių iki kelių nanosekundžių trukmės impulsą tolimesniam stiprinimui. Pikosekundinių impulsų (spektro plotis 0,6 nm) osciliatoriaus spinduliuotė spektriškai filtruojama, ko pasekoje impulso trukmė yra padidinama. Spektrinį filtravimą atliekant daug kartų, pvz. 50 kartų, impulso trukmę galima padidinti nuo 100 iki 1000 kartų. Įrenginys būdui realizuoti yra aktyvi skaidulinė kilpa, dar vadinama žiedine vėlinimo linija arba žiedine optine grandine, kurioje yra spinduliuotės įvedimo ir išvedimo elementas, spektrinis filtras, stiprintuvas ir optinis raktas. Stiprintuvas veikia kaip nuostolių kompensatorius. Optinis raktas taip pat veikia kaip nuostolių valdymo įrenginys, t. y. kaip papildomas impulso energijos valdymo įrenginys, ir kaip impulso cirkuliavimo kilpos viduje stabdymo įrenginys. Impulso įvedimo ir išvedimo elementas yra dviejų įėjimų ir dviejų išėjimų (2x2) skaidulinis pluošto daliklis. Taigi kiekvieno ciklo metu dalis spinduliuotės yra atskiriama ir išvedama iš skaidulinės kilpos, o įrenginio išėjime gaunama impulsų seka, iš kurios išrenkamas norimos trukmės impulsas. Išėjimo impulsas yra nečirpuotas (neturi fazinės moduliacijos), taigi spektriškai ribotas. Priklausomai nuo pasirinkto spektrinio filtro spektrinio pločio ir spektrinės funkcijos formos bei lėkių per kilpą skaičiaus, impulso trukmės pasirinkimo intervalas yra nuo dešimčių ps iki 10 ns. Konkrečiose realizacijose su vienu spektriniu filtru ir maždaug 50 lėkių per kilpą, galima gauti impulso derinimą nuo 50 ps iki 400 ps arba nuo 170 ps iki 1 ns iš vieno aparato. Dispersinis impulso plėtimas išsaugant spinduliuotės spektro plotį nėra numatytas minėtame sprendime. Platus derinimo diapazonas, apimantis femtosekundines trukmes, taip pat nėra galimas minėto sprendimo aparatu. 50 ps trukmės spektriškai riboto impulso ties 1030 nm bangos ilgiu koherentiškumo ilgis siekia 34 mm.

[0011] US11233372B2 (Muendel et al.) aprašytas skaidulinis sinchronizuotų modų osciliatorius, pasižymintis žiediniu rezonatoriumi, kuriame vyksta plačiajuostės spinduliuotės impulso čirpavimas prieš pat išvedant jį iš rezonatoriaus. Terminas "čirpavimas" ir "čirpuotas impulsas" čia ir kitur reiškia, kad impulsas pasižymi spektrinių komponenčių fazės moduliacija, dar sakoma "faziškai moduliuotas impulsas", kas yra ekvivalentu impulso trukmės padidėjimui, impulso išplitimui laike. Rezonatorius turi savyje čirpuotą skaidulinę Brego gardelę (CFBG) ir optinį cirkuliatorių, kurie vienu metu veikia ir kaip impulso dalies čirpavimo įrenginys (kaip impulso plėstuvas), ir kaip išvedimo iš rezonatoriaus įrenginys. Čirpuota skaidulinė Brego gardelė yra įterpta pagrindiniame rezonatoriaus žiede. Terminas "čirpuota Brego gardelė" čia ir kitur reiškia, kad gardelė pasižymi nepastoviu lūžio rodiklio moduliacijos periodu, todėl vienos spektrinės komponentės yra atspindimos nedideliame gardelės gylyje, o kitos – didesniame, dėl ko nusklinda skirtingą atstumą ir atsiranda užvėlinimas tarp jų (spektrinė fazinė moduliacija). Spinduliuotės dalis, kurią CFBG atspindi, yra čirpuota ir būtent ji per cirkuliatorių yra išvedama kaip išėjimo impulsas, kuris yra išplėstas laike. Pro CFBG praėjusi spinduliuotės dalis toliau cirkuliuoja rezonatoriaus žiedu ir yra nečirpuota (neišplėstas laike impulsas). Kiti rezonatoriaus komponentai yra tokie patys, kokie yra reikalingi lazerinei generacijai ir pasyviai modų sinchronizacijai gauti. Kaip ir visuose plačiajuostės lazerinės spinduliuotės osciliatoriuose yra dispersijos kontrolės įrenginys, kuris kompensuoja visų rezonatoriaus komponentų dispersiją, kad rezonatoriaus viduje cirkuliuotų ultratrumpasis impulsas. Po aktyvios skaidulos vėl dalis impulso yra atspindima ir čirpuojama, ir iškart išmetama iš rezonatoriaus. Alternatyviame sprendimo variante, aktyvioji skaidula yra tarp cirkuliatoriaus ir CFBG, tad CFBG atspindėtas čirpuotas impulsas prieš išmetant jį iš osciliatoriaus rezonatoriaus, dar kartą yra pastiprinamas. Muendel et al. sprendimu yra siekiama išvengti netiesinių reiškinių už osciliatoriaus, kurie pasireikštų esant didelei impulso smailinei galiai, impulso kelyje iki pagrindinio impulsų plėstuvo, jeigu impulsų plėstuvas būtų išorėje. Juo galima pasiekti didesnę nei įprastai impulsų energiją nebijant lazerinės sistemos pažeidimo ir/arba impulso iškraipymo, tačiau nėra skirtas impulsui išplėsti iki trukmės pagal vartotojo pageidavimą. Impulsas per dispersinį elementą, CFBG, praeina vieną kartą ir yra išplečiamas būtent tiek, kiek apsprendžia CFBG dispersijos parametras.

[0012] US8582200B2 (Zaouter et al.), kuris taip pat yra publikuotas kaip EP2232654B1, aprašo lazerinę sistemą, sudarytą iš osciliatoriaus, impulsų plėstuvo, galios stiprintuvo ir impulsų spaustuvo. Sprendimo esmę sudaro čirpuotų impulsų stiprinimas ir impulsų trukmės atstatymas spaustuvu iki pradinės trukmės, sutampančios su osciliatoriaus impulso trukme. Galios stiprintuvas yra skaidulinis (pavyzdžiui, fotoninių kristalų skaidula), o impulsų plėstuvas ir spaustuvas yra laisvos erdvės komponentai. Osciliatoriaus, kuris gali būti tiek skaidulinis, tiek ir kietakūnis laisvos erdvės lazeris, impulsų trukmė yra intervale nuo 100 fs iki 1 ps. Plėstuvas, sudarytas iš vienos ar dviejų difrakcinių gardelių arba iš prizmių ir gardelių kombinacijos, gali pailginti impulsą daug kartų (nuo šimtų pikosekundžių iki kelių nanosekundžių), tačiau pasirinkus tam tikrą gardelės rėžių skaičių ir visų plėstuvo elementų geometrinius matmenis, platus impulso derinimo diapazonas nėra galimas. Kadangi šio sprendimo tikslas – po stiprinimo suspausti impulsą iki pradinės trukmės, tai impulsų spaustuvo parametrai yra tokie, kad kompensuotų ir plėstuvo antros eilės dispersiją, ir stiprintuve dėl netiesinės sąveikos atsiradusią antros eilės dispersiją. Tiek plėstuvo, tiek ir spaustuvo, sudarytų iš laisvos erdvės komponentų, varijuojant atstumą tarp jų, dispersijos parametrus galima keisti. Taigi galima neatstatyti pradinės impulso trukmės, tačiau platus trukmės derinimo diapazonas – nuo nanosekundžių iki femtosekundžių – nėra galimas.

[0013] US7729045B2 (Moro et al.), kuris taip pat yra publikuotas kaip EP1766735B1, aprašo čirpuotų impulsų stiprinimo sistemą, sudarytą iš impulsų plėstuvo, galios stiprintuvo ir impulsų spaustuvo, pritaikytą stiprinti tiek femtosekundinio, tiek pikosekundinio osciliatoriaus impulsus. Sprendimo esmę sudaro skirtingos pradinės trukmės impulsų čirpavimas, stiprinimas bei suspaudimas iki pradinės trukmės, nepakeičiant laisvos erdvės impulso plėstuvo ir spaustuvo komponentų, tik jų kampą ir išsidėstymą. Pagal pasiūlytą pirmą šio sprendimo variantą yra naudojami keli skirtingos impulso trukmės (arba spektro pločio) osciliatoriai, kurie kartu su minėta čirpuotų impulsų stiprinimo sistema sudaro keičiamos impulso trukmės lazerinį šaltinį. Pagal pasiūlytą antrą šio sprendimo variantą keičiama impulso trukmė pasiekiama impulsų plėstuvo Furje plokštumoje statant spektrinį filtrą, kuris pakeičia (susiaurina) osciliatoriaus spektrą ir tuo būdu po suspaudimo impulso trukmė yra didesnė nei osciliatoriaus impulso trukmė. O naudojant realiu laiku valdomą akusto-optinį dispersinį filtrą, galima pasiekti tolygiai keičiamą impulso trukmę nuo dešimčių femtosekundžių iki kelių pikosekundžių. Visgi impulso trukmės padidinimas iki nanosekundžių nėra numatytas.

[0014] US9270075 (Leproux et al.) aprašo lazerinę sistemą impulsinei kontinuumo spinduliuotei generuoti, kurios impulsų trukmė gali būti keičiama. Sistemą sudaro kaupinimo šaltinis, generuojantis ties 1060 nm bangos ilgiu ir kontinuumo generatorius. Minėtas kaupinimo šaltinis apima puslaidininkinį pirminį šaltinį (lazerinį diodą), ir dvi skaidulines stiprinimo pakopos, o kontinuumo generatorius yra didelio netiesiškumo fotoninių kristalų skaidula. Impulso trukmės valdymas pagrindinai vyksta pirminiame šaltinyje: puslaidininkinis šaltinis gali būti elektroniškai moduliuojamas ir gali sugeneruoti nuo 200 ps iki 2 ns impulsus, o po stiprinimo skaiduliniuose stiprintuvuose 1060 nm impulso trukmė yra intervale nuo 171 ps iki 2,12 ns. Kontinuumo generacija priklauso nuo kaupinančio impulso trukmės. Esant ilgesniam kaupinimo impulsui, išryškėja ilgesni bangos ilgiai. Esant trumpesniam kaupinimo impulsui, didesnį spektrinį intensyvumą turi UV spektrinės komponentės, o einant į raudonąją ir IR spektro pusę, tolydžio mažėja (išskyrus kelis pikus). Tyrimai su femtosekundiniais impulsais Leproux et al. sprendime nebuvo atliekami, nes kaupinimo šaltinis generavo ilgesnius kaip 200 ps impulsus.

[0015] US9008135B1 (Almeida et al.), kuris taip pat yra publikuotas kaip EP2572412B1, aprašo kelis skaidulinės lazerinės sistemos su derinama išėjimo impulso trukme išpildymo variantus. Pirmame variante užkrato šaltinis turi savyje kelis atskirus skaidulinius osciliatorius, pasižyminčius skirtingomis spinduliuotės charakteristikomis. Priklausomai nuo vartotojo pasirinktos impulso trukmės, tolimesniam stiprinimui kontrolerio pagalba išrenkamas tik vieno iš minėtų osciliatorių impulsas. Nepaisant to, kad kai kurie elementai, pavyzdžiui, kaupinimo šaltinis šiems skirtingiems osciliatoriams gali būti bendras, toks sprendimas nėra efektyvus ir turi labai ribotas impulso trukmės pasirinkimo galimybes. Kitame išpildymo variante užkrato šaltinis yra sudarytas iš skaidulinio ultratrumpųjų impulsų šaltinio ir priešstiprintuvio. Priešstiprintuvyje pasireiškia spinduliuotės fazinė savimoduliacija, lydima spektro platėjimo, ir šio efekto stiprumas priklauso nuo stiprinimo faktoriaus. Užkrato šaltinyje po priešstiprintuvio papildomai yra dispersinis elementas, kuris čirpuoja impulsą ir nulemia galutinę impulso trukmę. Taigi, keisdamas stiprinimo sąlygas, vartotojas gali varijuoti spektro plotį; o išėjimo impulso trukmės derinimo ribos ir jautrumas galiausiai priklauso nuo pasirinkto dispersinio elemento, pvz. čirpuotos skaidulinės Brego gardelės, dispersijos parametro. Ta pati impulso trukmė gali būti gaunama įvairiais stiprintuvo ir dispersinio elemento parametrų deriniais. Su vienu pasirinktu dispersiniu elementu, per kurį impulsas praeina tik vieną kartą, impulso trukmė varijuojama keičiant stiprinimo parametrus, tačiau tik nuo kelių ps iki kelių dešimčių ps arba nuo dešimčių ps iki šimtų ps. Tikslus trukmės paderinimas yra galimas keičiant dispersinio elemento dispersijos parametrą mechaniniu įtempiu arba temperatūriškai. Modeliavimo rezultatai su 0,25 nm pradinio spektro pločio spinduliuote (pikosekundinis osciliatorius) parodė, kad yra galimi keli trukmės derinimo diapazonai, tačiau visi jie telpa intervale nuo kelių ps iki maždaug 200 ps. Siekiant perdengti visą minėtą intervalą, pasiūlytas sprendimas su keliais dispersiniais elementais, kurie per programuojamą optinį raktą būtų pasirinktinai perjungiami. Dar didesniam trukmės derinimo diapazonui nuo 1 ps iki 1 ns pasiekti, reikėtų didelio skaičiaus minėtų dispersinių elementų. Nepaisant kelių pasiūlytų variantų, Almeida et al. sprendimas negali pasiekti plataus impulso trukmės derinimo diapazono nuo ultratrumposios iki kelių nanosekundžių trukmės. O kelių nepriklausomų pradinių osciliatorių perjunginėjimas neatitinka pačios universalaus šaltinio koncepcijos. Stiprinimo parametrų keitimas, siekiant pakeisti impulso trukmę, reiškia, kad užkrato šaltinio impulsų energija priklauso nuo pasirinktos trukmės.

[0016] Artimiausi pagal techninę esmę yra techniniai sprendimai, aprašyti dokumentuose US7444049B1 (Kim et al.; prioriteto data: 2006-01-23) ir Zhang et al., "Pulse multi-pass stretcher using linear chirped fiber Bragg grating", Proc. SPIE 8904, 89041M (2013).

[0017] Zhang et al. straipsnis aprašo skaidulinę išorinę optinę grandinę, skirtą pikosekundinio skaidulinio osciliatoriaus trukmei padidinti. Minėta išorinė optinė grandinė prie osciliatoriaus išėjimo skaidulos yra jungiama per dviejų įėjimo ir dviejų išėjimo kanalų akusto-optinį moduliatorių, kuris šiuo atveju veikia kaip optinis raktas, įvedantis osciliatoriaus impulsą į žiedinę optinę grandinę, uždarantis šią optinę grandinę ir išleidžiantis impulsą iš jos tik po 1, 2, 3 arba 4 lėkių. Prie žiedinės optinės grandinės per cirkuliatorių yra prijungta čirpuota skaidulinė Brego gardelė CFBG, kuri veikia kaip spektrinių komponenčių fazę moduliuojantis elementas. Žiedinėje optinėje grandinėje yra izoliatorius, kuris nustato spinduliuotės sklidimo kryptį. Žiedinėje optinėje grandinėje taip pat yra skaidulinis stiprintuvas, skirtas kompensuoti nuostolius, patiriamus Brego gardelėje ir kituose grandinės elementuose. Pasirinktas CFBG dispersijos parametras ir valdomas lėkių skaičius leido pailginti Yb-skaidulinio osciliatoriaus (1053 nm) impulsą nuo 16 ps iki 155 ps, 270 ps, 378 ps arba >500 ps trukmės. Tolimesnis impulso plėtimas laike nebuvo galimas, nes jau po keturių žiedinės optinės grandinės apėjimų impulsas tapo iškraipytas. CFBG gardelės atspindžio funkcija neleido išlaikyti plataus spinduliuotės spektro ir, be to, suteikė jam tam tikrą moduliaciją. Zhang et al. sprendime nenumatytas trukmės derinimo diapazonas nuo femtosekundžių iki nanosekundžių.

[0018] Kim et al. patente US7444049B1 aprašo čirpuotų impulsų stiprinimo sistemą, sudarytą iš ultratrumpųjų impulsų osciliatoriaus, impulsų plėstuvo, galios stiprintuvo ir impulsų spaustuvo. Išskirtiniai šio sprendimo elementai yra impulsų plėstuvas ir spaustuvas, kurie yra daugialėkiai, t. y. yra sudaryti iš vienos ar daugiau čirpuotų Brego gardelių, per kurias impulsas keliauja vieną ar kelis kartus. Minėta čirpuota Brego gardelė gali būti čirpuota skaidulinė Brego gardelė CFBG, čirpuota tūrinė Brego gardelė (CVBG), interferometrai, pasižymintys dispersija, ir pan. Minėtas galios stiprintuvas gali būti įterptas tarpe tarp plėstuvo lėkių. Pagal vieną Kim et al. sprendimo realizaciją daugialėkis impulsų plėstuvas taip pat yra skaidulinė žiedinė optinė grandinė, į kurią per cirkuliatorių prijungiama CFBG, čirpuojanti impulsą. Kuo daugiau lėkių minėtoje žiedinėje optinėje grandinėje, tuo daugiau lėkių per CFBG ir tuo labiau yra padidinama impulso trukmė. Lėkių skaičius yra valdomas optiniu raktu, kuris tuo pačiu yra ir osciliatoriaus impulso įvedimo, ir pailginto impulso išvedimo įrenginys: nukreipia osciliatoriaus impulsą į minėtą žiedinę grandinę, po kiekvieno lėkio vėl sugrąžina į žiedą, kol po daugelio lėkių išveda impulsą į išėjimą. Optinis raktas gali būti akusto-optinis, elektro-optinis arba elektro-mechaninis, kuris į žiedinę optinę grandinę įleidžia visą įėjimo impulsą, jo nedalydamas, ir iš žiedinės optinės grandinės išleidžia visą padidintos trukmės impulsą jo nedalydamas. Žiedinės optinės grandinės nuostoliams kompensuoti jos viduje yra skaidulinis stiprintuvas. Kim et al. sprendimo aprašyme nurodyta, jog lėkių skaičių per žiedinę grandinę galima keisti nuo vieno iki 100 ir pasiekti iki 100 kartų impulso trukmės padidinimą. Tai reiškia, kad 100 fs impulsas galėtų būti išplėstas iki 10 ps trukmės impulso. Iš vieno ultratrumpojo osciliatoriaus impulso išėjime gaunamas vienas padidintos trukmės impulsas. Kadangi pagrindinis tikslas yra pailginti impulsą iki saugios trukmės, galima parinkti CFBG dispersijos parametrą, kuris leistų per 100 lėkių tą saugią trukmę pasiekti.

[0019] Aprašytuose artimiausiuose pagal techninę esmę sprendimuose nėra galimas platus derinimo diapazonas, išlaikant impulso verčių pasirinkimą mažu žingsneliu, iš vieno aparato. Sąlygos, kaip gauti impulso trukmės derinimo diapazoną iki nanosekundinių trukmių nėra nurodytos. O taip pat nėra panagrinėta CFBG gardelės atspindžio spektro pločio ir stiprinimo sąlygų įtaka cirkuliuojančios spinduliuotės spektrui ir impulso trukmei. Platus impulso trukmės derinimas nuo 100 fs iki 10 ns žinomais laikinių ir spektrinių charakteristikų formavimo būdais arba lazerinio osciliatoriaus valdymo būdais nėra aprašytas.

[0020] SPRENDŽIAMA TECHNINĖ PROBLEMA

[0021] Išradimu siekiama sukurti optinį įrenginį, pasižymintį pluošto difrakcijos kompensavimo, dispersijos ir stiprinimo savybėmis, skirtą plačiajuostės lazerinės spinduliuotės impulsų trukmei valdyti plačiose ribose.

[0022] Konkrečiau, yra siekiama gauti impulsų trukmės derinimo diapazoną nuo 100 fs iki 10 ns iš vieno įrenginio.

[0023] Taip pat siekiama, kad minėtas įrenginys būtų nesudėtingas, stabilus, lengvai valdomas, kad impulsų trukmę būtų galima derinti dirbant ne mažesniu 1 MHz dažniu.

[0024] Siekiama, kad impulsų energija būtų valdoma nepriklausomai.

[0025] Dar vienas svarbus išradimo tikslas – nepriklausomai nuo pasirinktos impulso trukmės iš intervalo nuo 100 fs iki 10 ns, išlaikyti plačiajuostės spinduliuotės spektro plotį, ne siauresnį kaip 3,9 nm, ir mažą koherentiškumo ilgį, neviršijantį 300 µm.

[0026] Dar vienas išradimo tikslas ir pritaikymo bei privalumų prieš analogus turinti galimybė – kaip labai kompaktiškas ir laisvai vartotojo keičiamų parametrų impulsų plėstuvas faziškai moduliuotų impulsų stiprinimo (angl. – CPA) ir faziškai moduliuotų impulsų parametrinio šviesos stiprinimo (angl. – OPCPA) sistemose.

[0027] IŠRADIMO ESMĖS ATSKLEIDIMAS

[0028] Uždavinio sprendimo esmė pagal pasiūlytą išradimą yra tokia: lazerinės spinduliuotės impulso trukmės ir energijos valdymo būde, apimančiame plačiajuosčio pirminio lazerinio šaltinio impulso nukreipimą į optinę grandinę, kurioje patekęs impulsas sklinda kaip darbinis impulsas ir praeina šiuos veiksmų etapus, apibrėžiančius vieną pilną ciklą:

[0029] (A) minėto darbinio impulso bent dalis yra nukreipiama į žiedinę optinę grandinę;

[0030] (B) žiedinėje optinėje grandinėje sklindanti impulso dalis patiria energijos nuostolius;

[0031] (C) jei etape (B) patirti impulso energijos nuostoliai yra mažesni už 100%, toliau žiedine optine grandine sklindanti impulso dalis sąveikauja su dispersiniu optiniu elementu, suformuojant faziškai moduliuotą impulsą;

[0032] (D) minėtas faziškai moduliuotas impulsas yra pastiprinamas, suformuojant pastiprintą faziškai moduliuotą impulsą;

[0033] ir toliau paminėti ciklo etapai kartojami N kartų, kur N yra bet koks sveikas skaičius, ir kiekviename sekančiame cikle minėtas pastiprintas faziškai moduliuotas impulsas per optinę grandinę sklinda kaip naujas darbinis impulsas; kur

[0034] - optinėje grandinėje darbinis impulsas yra padalijamas į dvi dalis, kur etape (A) darbinio impulso dalis, kuri yra nukreipiama į žiedinę optinę grandinę, ir kita darbinio impulso dalis turi fiksuotą tarpusavio santykį, ir etape (A) minėta kita darbinio impulso dalis yra išvedama iš optinės grandinės, suformuojant išėjimo impulsą,

[0035] - minėtos optinės grandinės išėjime iš suformuotų po kiekvieno ciklo išėjimo impulsų suformuojama išėjimo impulsų seka, sudaryta iš (N+1) impulsų, kurių kiekvieno paskesnio impulso trukmė skiriasi nuo prieš tai buvusio impulso trukmės dydžiu ΔT = Δλ*Dλ, kur Dλ yra minėtos optinės grandinės dispersijos parametras, o Δλ yra spinduliuotės spektro plotis; pirmo ir paskutinio impulsų trukmės skiriasi dydžiu ΔTN = N*Δλ*Dλ.

[0036] Darbinio impulso minėtų dalių fiksuotas santykis yra parinktas ribose nuo 1%:99% iki 99%:1%.

[0037] Įrenginys lazerinės spinduliuotės impulso trukmei ir energijai valdyti, turintis optinę grandinę, pasižyminčią pluošto difrakcijos kompensavimo, dispersijos ir stiprinimo savybėmis ir apimantis:

[0038] - elementą, skirtą plačiajuosčio pirminio lazerinio šaltinio impulsui įvesti į minėtą optinę grandinę, kurioje jis sklinda kaip darbinis impulsas;

[0039] - elementą, skirtą minėto darbinio impulso bent dalies nukreipimui į žiedinę optinę grandinę;

[0040] - nuostolių valdymo elementą, sukonfigūruotą žiedine optine grandine sklindančios impulso dalies energijos nuostoliams valdyti;

[0041] - dispersinį optinį elementą, sukonfigūruotą žiedine optine grandine sklindančios impulso dalies spektrinių komponenčių fazei keisti, suformuojant faziškai moduliuotą impulsą;

[0042] - optinį stiprintuvą, skirtą minėtam faziškai moduliuotam impulsui pastiprinti, suformuojant pastiprintą faziškai moduliuotą impulsą; kur

[0043] minėtas impulso dalies nukreipimas į žiedinę optinę grandinę ir sklidimas žiedine optine grandine vyksta N kartų, kur N yra bet koks sveikas skaičius, ir kiekviename sekančiame žiedinės grandinės apėjime minėtas pastiprintas faziškai moduliuotas impulsas sklinda kaip naujas darbinis impulsas, kur

[0044] - minėtas elementas, skirtas minėto darbinio impulso bent dalies nukreipimui į žiedinę optinę grandinę, yra pluošto daliklis, turintis du įėjimus ir du išėjimus ir dalijantis per bet kurį iš įėjimų patekusį impulsą į dvi dalis fiksuotu santykiu; iš jo pirmojo išėjimo išėjusi impulso dalis yra išvedama iš minėtos optinės grandinės, suformuojant išėjimo impulsą po kiekvieno žiedinės optinės grandinės apėjimo; iš jo antrojo išėjimo išėjusi impulso dalis, atlikusi pilną žiedinės optinės grandinės apėjimą ir suformuota pastiprintu faziškai moduliuotu impulsu, vėl patenka į vieną iš elemento įėjimų kaip darbinis impulsas;

[0045] - minėtas nuostolių valdymo elementas yra akusto-optinis moduliatorius, turintis vieną įėjimą ir vieną arba du išėjimus, kurio įėjimas ir vienas iš išėjimų yra sujungtas su minėta žiedine optine grandine;

[0046] iš suformuotų po kiekvieno žiedinės optinės grandinės apėjimo minėtų išėjimo impulsų yra suformuojama išėjimo impulsų seka, sudaryta iš (N+1) impulsų, kurių kiekvieno paskesnio impulso trukmė skiriasi nuo prieš tai buvusio impulso trukmės dydžiu ΔT = Δλ*Dλ, kur Dλ yra minėtos optinės grandinės dispersijos parametras, o Δλ yra spinduliuotės spektro plotis; pirmo ir paskutinio spektro impulsų trukmės skiriasi dydžiu ΔTN = N*Δλ*Dλ.

[0047] Minėtų sekos impulsų trukmės pusės intensyvumo aukštyje yra intervale nuo 100 fs iki 10 ns.

[0048] Išėjimo impulsų sekos kiekvieno paskesnio impulso trukmė yra didesnė už prieš tai buvusio impulso trukmę.

[0049] Minėtų sekos impulsų koherentiškumo ilgis neviršija 300 µm.

[0050] Išėjimo impulsų sekos pasikartojimo dažnis yra intervale nuo 1 kHz iki 1 MHz.

[0051] Pastiprinto faziškai moduliuoto impulso energija kiekvieno žiedinės optinės grandinės apėjimo pabaigoje yra didesnė už minėto darbinio impulso energiją to žiedinės optinės grandinės apėjimo pradžioje.

[0052] Minėtos žiedinės optinės grandinės apėjimo laikas T2 parenkamas taip, kad būtų bent penkis kartus ilgesnis už išėjimo impulsų sekos ilgiausio impulso trukmę pusės intensyvumo aukštyje ir viršytų 6 ns, kur iš išėjimo impulsų sekos optiniu raktu yra išrenkamas bet kuris vienas impulsas.

[0053] Minėtos optinės grandinės visi komponentai yra skaiduliniai arba su integruotais skaiduliniais įvadais ir išvadais, kurie sudaro vientisą skaidulinę optinę grandinę:

[0054] - nuostolių valdymo elementas yra skaidulinėms grandinėms skirtas akusto-optinis moduliatorius,

[0055] - optinis stiprintuvas yra aktyviaisiais jonais legiruotos skaidulos segmentas,

[0056] - pluošto dalijimo elementas yra skaidulinis 2x2 pluošto daliklis, kurio antras išėjimas minėtais skaiduliniais įrenginio komponentais yra sujungiamas su antruoju įėjimu taip, kad suformuotų žiedinę optinę grandinę,

[0057] - dispersinis optinis elementas yra bent viena čirpuota skaidulinė Brego gardelė, kuri į optinę grandinę yra įjungta per cirkuliatorių, ir keičia atspindimos spinduliuotės spektrinių komponenčių fazę, ir jos parametrai užtikrina aukštą atspindžio koeficientą žiedinėje optinėje grandinėje cirkuliuojančios spinduliuotės bangos ilgiams.

[0058] Minėtos optinės grandinės visi komponentai yra skaiduliniai arba su integruotais skaiduliniais įvadais ir išvadais, kurie sudaro vientisą skaidulinę optinę grandinę:

[0059] - nuostolių valdymo elementas yra skaidulinėms grandinėms skirtas akusto-optinis moduliatorius,

[0060] - optinis stiprintuvas yra aktyviaisiais jonais legiruotos skaidulos segmentas,

[0061] - pluošto dalijimo elementas yra skaidulinis 2x2 pluošto daliklis,

[0062] - optinė grandinė yra tiesinė ir yra suformuojama impulsui cirkuliuojant nuo vienos atspindinčios Brego gardelės, prijungtos prie pluošto dalijimo elemento antro išėjimo, iki kitos atspindinčios Brego gardelės, prijungtos prie pluošto dalijimo elemento antro įėjimo; bent viena iš minėtų atspindinčių Brego gardelių yra čirpuota skaidulinė Brego gardelė, kuri veikia kaip dispersinis optinis elementas, keičiantis atspindimos spinduliuotės spektrinių komponenčių fazę;

[0063] - abiejų Brego gardelių parametrai užtikrina aukštą atspindžio koeficientą optinėje grandinėje cirkuliuojančios spinduliuotės bangos ilgiams.

[0064] Minėtos optinės grandinės dispersijos parametro Dλ modulis yra intervale nuo 0,03 ps/nm iki 300 ps/nm.

[0065] Lazerinėje sistemoje, skirtoje faziškai moduliuotiems impulsams stiprinti, sudarytoje iš pirminio lazerinio šaltinio, impulsų plėstuvo, stiprintuvo ir impulsų spaustuvo, generuojančio suspaustą išėjimo impulsą, kurio trukmė yra lygi ultratrumpajai pirminio lazerinio šaltinio impulso trukmei arba turi tarpinę vertę tarp pirminio lazerinio šaltinio impulso trukmės ir impulso po impulsų plėstuvo trukmės, kur impulsų plėstuvo ir stiprintuvo arba tik impulso plėstuvo funkcijai atlikti yra panaudotas įrenginys lazerinės spinduliuotės impulso trukmei ir energijai valdyti pagal bet kurį iš apibrėžties 3–12 punktų.

[0066] Lazerinės sistemos stiprintuvas yra kvantinis stiprintuvas, parinktas iš kietakūnių ar skaidulinių stiprintuvų tarpo, kurio stiprinimo faktorius yra ne mažesnis kaip 1000; į kvantinį stiprintuvą yra nukreiptas vienas faziškai moduliuotas impulsas, optiniu raktu išskirtas iš impulsų sekos minėto įrenginio lazerinės spinduliuotės impulso trukmei ir energijai valdyti optinės grandinės išėjime.

[0067] Impulsų spaustuvo minėtas išėjimo impulsas yra naudojamas kitai sistemai kaupinti, o jo trukmė priklauso nuo minėtos lazerinės sistemos režimo: viename jos režime yra lygi pirminio lazerinio šaltinio impulso trukmei, o kitame režime yra bent du kartus didesnė už pirminio lazerinio šaltinio impulso impulso trukmę.

[0068] IŠRADIMO NAUDINGUMAS

[0069] Šio išradimo būdas ir įrenginys turi šiuos privalumus.

[0070] Pasiūlytas būdas ir įrenginys yra universalus, stabilus ir lengvai valdomas. Platus impulso trukmių pasirinkimo diapazonas leidžia pritaikyti labai įvairiuose taikymuose, tarp jų – optinėje koherentinėje tomografijoje, CPA ir OPCPA sistemose, kaip savarankiškas regeneracinio stiprinimo įrenginys ir pan.

[0071] Šio išradimo taikymas CPA sistemoje turi tokius privalumus: metodas ir įrenginys, kuriame realizuojama daug apėjimų per dispersinį elementą, gali būti pritaikytas kaip labai kompaktiškas ir lankstus impulsų plėstuvas. Visų pirma, didelė impulso dispersija ir trukmės išplėtimas pasiekiami vienu įrenginiu. Antra, impulso trukmę ir energiją galima pasirinkti plačiose ribose, o esant poreikiui, pakeisti. Poreikis labai nedaug pakeisti impulso trukmę gali atsirasti dėl neteisingai įvertinto stiprinimo poveikio spektrui. Įdiegus CPA stiprintuvą su integruotu šio išradimo įrenginiu OPCPA sistemoje, kuri yra sudėtinga, nuo labai daug parametrų priklausanti ir daug elementų turinti sistema ir dirbanti su itin didelės galios spinduliuote, impulso trukmės paderinimo galimybė tampa dar labiau aktuali. Kai įprastinėse CPA sistemose yra reikalingas impulsų plėstuvo ir spaustuvo geometrinių parametrų suderinamumas, ir yra nedaug paderinimo galimybių, šio išradimo sprendimu CPA sistema turi itin lankstų impulsų plėstuvą. Nekeičiant geometrinių matmenų ir pačių elementų, tik pridėjus ar sumažinus apėjimų skaičių, galima paderinti plečiamo impulso trukmę. Be to, tą pačią CPA su integruotu šio išradimo įrenginiu galima naudoti tiek OPCPA sistemos derinimui, tiek OPCPA sistemos veikai. Nekeičiant geometrinių matmenų ir pačių elementų, tik pridėjus ar sumažinus apėjimų skaičių, arba tik nukreipus cirkuliuojantį impulsą į žiedinės optinės grandinės atšaką su priešingo ženklo dispersiniu optiniu elementu, galima stipriai pakeisti plečiamo impulso trukmę. CPA sistemos impulsų spaustuvas impulsus suspaus iki vienokios kaupinimo impulso trukmės – tinkančios OPCPA derinimui; arba iki kitokios trukmės – tinkančios OPCPA veikai.

[0072] Šio išradimo įrenginio išpildymas kaip skaidulinio regeneracinio stiprintuvo pasižymi unikalia savybe didinti impulso energiją neperžengiant ribinės smailinės galios vertės, ties kuria pasireiškia netiesiškumai ir/ar elementų pažeidimai. Stiprinant impulsą tiek pat kartų, kiek yra pailginama jo trukmė, išlaikoma fiksuota smailinė galia.

[0073] TRUMPAS BRĖŽINIŲ APRAŠYMAS

[0074] 1 pav. – brėžinys, iliustruojantis šio išradimo lazerinės spinduliuotės impulso trukmės ir energijos valdymo būdą.

[0075] 2 pav. – šio išradimo įrenginio pirmas išpildymo variantas.

[0076] 3 pav. – šio išradimo įrenginio antras išpildymo variantas.

[0077] 4 pav. – šio išradimo įrenginio trečias išpildymo variantas.

[0078] 5 pav., 6 pav. – impulso trukmės kitimo šio išradimo įrenginyje modeliavimo rezultatai.

[0079] 7 pav., 8 pav. – šio išradimo įrenginio išpildymo variantai, skirti plačiam impulso trukmės derinimo diapazonui pasiekti, neprarandant impulso trukmės tikslumo.

[0080] 9 pav. – šio išradimo faziškai moduliuotų impulsų stiprinimo lazerinė sistema.

[0081] TINKAMIAUSI ĮGYVENDINIMO VARIANTAI

[0082] Lazerinės spinduliuotės impulso trukmės ir energijos valdymo būdas (1 pav.) apima plačiajuosčio pirminio lazerinio šaltinio 1 impulso 2 įvedimą į optinę grandinę 3 ir dalinį išvedimą iš jos kiekvieno apėjimo metu bei reikiamos trukmės impulso išskyrimą. Minėta optinė grandinė 3 yra atskiras išorinis įrenginys, kuris pasižymi pluošto difrakcijos kompensavimo, dispersijos ir stiprinimo savybėmis. Toliau ją taip pat vadinsime išorine optine grandine, išorine dispersine optine grandine arba aktyvia dispersine optine grandine. Per įėjimą 4 į optinę grandinę 3 įvestas impulsas atlieka N optinės grandinės 3 apėjimų, ir po kiekvieno apėjimo yra vis kitokios trukmės. Optinė grandinė 3 yra sudaryta iš žiedinės optinės grandinės ir įvedimo į ją bei išvedimo iš jos įrenginio. Po kiekvieno žiedinės optinės grandinės apėjimo, dalis lazerinės spinduliuotės yra išmetama iš optinės grandinės 3, todėl jos išėjime 5 yra suformuojama išėjimo impulsų seka 6, sudaryta iš N+1 impulsų 7, 8, 9, ..., 10. Kiekvienas išėjimo impulsų sekos 6 impulsas 7–10 yra vis kitokios trukmės, nes optinė grandinė 3 turi numatyto dydžio dispersiją, parinktą specialiai impulso trukmei valdyti. Siekiama, kad spinduliuotės spektro plotis liktų nepakitęs arba jo pokytis dėl optinės grandinės 3 spektro filtravimo savybių ir/arba impulso fazinės savimoduliacijos (naujų spektrinių komponenčių atsiradimo) būtų nežymus. Jei spektro plotis optinėje grandinėje 3 nekinta, ir pirminio lazerinio šaltinio 1 impulsas 2 nėra faziškai moduliuotas, kiekvienas sekos 6 impulsas 7–10 yra vis ilgesnis. Jei pirminio lazerinio šaltinio 1 impulsas 2 jau yra faziškai moduliuotas, ir jei spinduliuotės spektro plotis sklidimo optinėje grandinėje 3 metu nekinta, sekos 6 impulsų 7–10 trukmės kinta priklausomai nuo optinės grandinės 3 dispersijos parametro ženklo. Jei optinės grandinės 3 dispersijos parametro ženklas yra priešingas impulso 2 dispersijos ženklui, kiekvienas išėjimo impulsų sekos 6 impulsas 7–10 yra vis trumpesnis, kol pilnai nesukompensuos pradinio čirpo, po to impulsas vėl pradės ilgėti. Nepriklausomai nuo optinės grandinės 3 suformuotos išėjimo impulsų trukmės, yra išlaikomas platus pradinis impulso spektro plotis, ko pasekoje išlaikomas mažas koherentiškumo ilgis, būdingas ultratrumpiesiems impulsams. Yra keli koherentiškumo ilgio apibrėžimai. Šiame išradime koherentiškumo ilgį apibrėžiame formule λ2/Δλ, kur λ – centrinis bangos ilgis, o Δλ – spektro plotis pusės spektrinio intensyvumo aukštyje. Pavyzdžiui, 5,2 nm spektro pločio spinduliuotės ties 1030nm (atitinka 300 fs spektriškai ribotą gausinio impulso trukmę) koherentiškumo ilgis neviršija 200 µm. O 3,9 nm spektro pločio spinduliuotės ties 1030 nm (atitinka 400 fs spektriškai ribotą gausinio impulso trukmę) koherentiškumo ilgis neviršija 300 µm.

[0083] Žiedinės optinės grandinės viduje yra nuostolius kompensuojantis optinis elementas – stiprintuvas. Po pilno optinės grandinės 3 apėjimo impulso energija atstatoma, ir todėl apėjimų skaičius N gali būti neribojamas. Galima pasiekti, kad išėjimo impulsų 7–10 energijos būtų vienodos. 1 pav. pavaizduoti vienodos amplitudės impulsai tik siekiant iliustruoti impulso trukmės pokyčius, tačiau impulsų energijų santykio, kuris gali būti įvairus, neatspindi.

[0084] Panagrinėkime detaliau. Tarkime pradinio lazerinio šaltinio 1 impulsas 2 nėra faziškai moduliuotas, t. y. yra spektriškai ribotas. Į išorinę optinę grandinę 3 patekęs impulsas (brėžinyje pažymėtas numeriu 11, kuris pirmo ciklo pradžioje sutampa su impulsu 2) patiria šiuos veiksmus:

[0085] (A) impulsas 11 yra dalijamas į dvi dalis 11a, 11b; viena impulso dalis 11a yra išvedama iš optinės grandinės 3 per išėjimą 5, o kita impulso dalis 11b yra nukreipiama į žiedinę optinę grandinę;

[0086] (B) žiedine optine grandine sklindanti impulso dalis 11b patiria nuo 0 % iki 100 % dydžio nuostolius;

[0087] (C) jei nuostoliai nelygūs 100 %, toliau žiedine optine grandine sklindanti impulso dalis patiria spektrinių komponenčių fazinę moduliaciją ir tampa faziškai moduliuotu impulsu 11c;

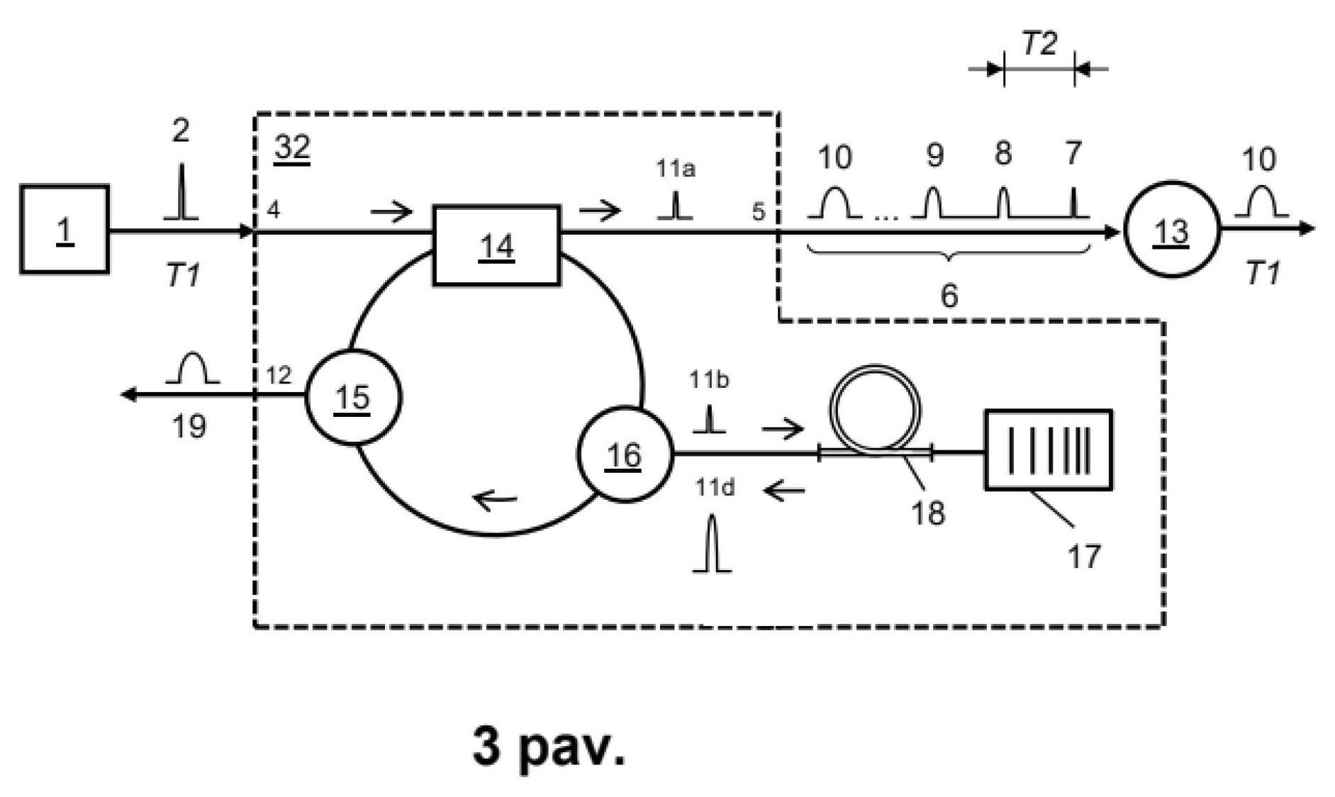
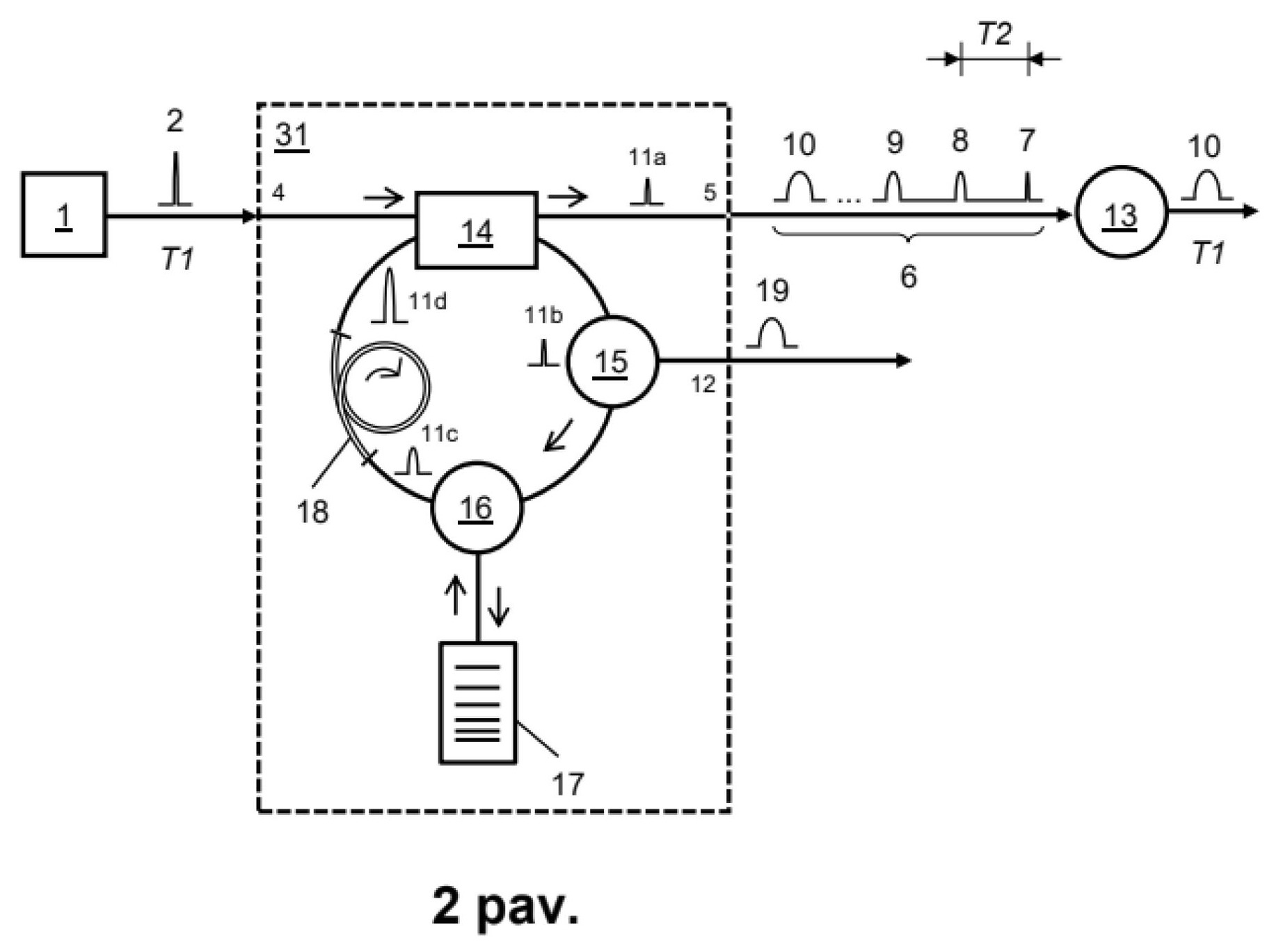
[0088] (D) impulsas 11c yra pastiprinamas optiniame stiprintuve ir tampa pastiprintu faziškai moduliuotu impulsu 11d. Impulsas 11d ciklo pabaigoje yra ilgesnis nei impulsai 11 ir 11b ciklo pradžioje. Galutinę impulso 11d trukmę lemia bendras optinės grandinės 3 dispersijos parametras Dλ.

[0089] Minėtą veiksmų seką impulsas patiria N kartų iki to momento, kada veiksme (B) optinės grandinės nuostoliai yra padidinami iki 100 %. Veiksme (A) impulso dalis 11b, kuri yra nukreipiama į žiedinę optinę grandinę, yra fiksuota ir yra parinkta iš verčių intervalo nuo 1 % iki 99 %, prioritetiškai – 50 %. Žiedinės optinės grandinės nuostolių valdymas veiksme (B) yra reikalingas kaip apsauga nuo savaiminio užgeneravimo per laiko intervalą iki kito impulso 2 įvedimo į optinę grandinę 3; ir dėl to, kad būtų nutraukiama impulso cirkuliacija viduje pasiekus reikiamą impulso trukmę. Optinė grandinė 3 gali turėti antrą išėjimą 12, į kurį išvedamas vienas arba keli impulsai, atsirandantys dėl nuostolių minėtame veiksme (B). Papildomas reikalavimas įrenginiui pagal 1 pav. pavaizduotą būdą realizuoti yra pluošto difrakcijos kompensavimas. Laisvos erdvės realizacijoje yra reikalingi vaizdo pernešimo elementai. Skaidulinėje optikoje, ypač vienamodžių skaidulų optikoje, pluošto difrakcijos problema savaime išsprendžiama.

[0090] Jei pradinio lazerinio šaltinio 1 impulsas 2 jau yra faziškai moduliuotas, o išorinės optinės grandinės 3 dispersijos ženklas sutampa su impulso fazinės moduliacijos ženklu, tai impulsas kiekvieno ciklo metu taip pat ilgės. Jei pradinio lazerinio šaltinio 1 impulsas 2 yra stipriai faziškai moduliuotas, o optinės grandinės 3 dispersijos ženklas yra priešingas impulso fazinės moduliacijos ženklui, tai impulsas kiekvieno ciklo metu trumpės ir gali būti sutrumpintas iki spektriškai ribotos trukmės. Tęsiant tokio impulso cirkuliaciją žiedinėje optinėje grandinėje, jis pradės ilgėti vėl.

[0091] Reikiamos trukmės impulsas 10 iš sekos 6 yra išskiriamas optiniu raktu 13. Tos pačios trukmės impulsai 10 pasikartoja periodu T1, sutampančiu su pirminio lazerinio šaltinio impulsų 2 periodu. Žiedinės optinės grandinės apėjimo laikas T2 yra parenkamas taip, kad būtų bent 5 kartus ilgesnis už išėjimo impulsų sekos 6 ilgiausio impulso trukmę pusės intensyvumo aukštyje ir viršytų 6 ns, kad būtų galima išskirti optiniu raktu 13.

[0092] Kokiu "žingsniu" kis impulso trukmė per vieną žiedinės optinės grandinės apėjimą ir kiek apėjimų reikės norimai impulso trukmei pasiekti, priklauso nuo optinės grandinės 3 bendro dispersijos parametro Dλ vertės. Impulsų sekos 6 kiekvieno paskesnio impulso trukmė skiriasi nuo prieš tai buvusio impulso trukmės dydžiu ΔT = Δλ*Dλ. Atitinkamai, pirmo impulso 7 ir paskutinio impulso 10 trukmės skiriasi dydžiu ΔTN = N*Δλ*Dλ. Jei siekiama tik reikšmingo impulso išplėtimo ar plataus trukmių derinimo diapazono, o skirtumai tarp gretimų sekos 6 impulsų trukmių gali būti dideli (impulso trukmės tikslumas mažas), minėtas dispersijos parametras gali būti kiek galima didesnis. Jei norima tolygesnio impulso trukmės paderinimo, dispersijos parametras turi būti mažas. Tokiu atveju prireiktų daugiau ciklų impulso trukmei keisti plačiose ribose.

[0093] Apibendrinant, optinė grandinė 3, kurios pagalba valdoma lazerinės spinduliuotės impulso trukmė (ir energija), pasižymi pluošto difrakcijos kompensavimo, stiprinimo ir dispersijos savybėmis. Dispersija sukuria arba keičia impulso fazinę moduliaciją, dėl kurios gaunama norima impulso trukmė, išlaikant mažą koherentiškumo ilgį. Apėjimų skaičius N yra valdomas vartotojo, ir kiekviename apėjime impulso energija yra atstatoma arba padidinama, todėl N yra neribojamas ir galima pasiekti bet kokią impulso trukmę ir, jeigu reikia, didesnį nei 1000 kartų impulso pailgėjimą. Šio išradimo būdu lazerinės spinduliuotės impulso trukmei ir energijai valdyti pasiekiame derinamą impulso trukmę ribose nuo 100 fs iki 10 ns, išlaikydami koherentiškumo ilgį, neviršijantį 300 µm.

[0094] 2 pav. pavaizduotas šio išradimo įrenginio pagal 1 pav. būdą pirmas išpildymo variantas. Optinė grandinė 3 lazerinės spinduliuotės impulso trukmei ir energijai valdyti yra optinė grandinė 31, sudaryta vien tik iš skaidulinių komponentų arba komponentų su integruotais skaiduliniais įvadais ir išvadais. Optinę grandinę 31 sudaro skaidulinis pluošto daliklis 14, turintis du įėjimus ir du išėjimus, bei skaiduliniai komponentai, sujungti į žiedinę optinę grandinę, sujungiančią daliklio 14 antrąjį išėjimą su antruoju įėjimu. Pluošto daliklis 14 veikia kaip impulso 2 įvedimo į optinę grandinę 31 įrenginys ir kaip įvesto impulso 11 arba ciklą žiedinėje optinėje grandinėje atlikusio impulso 11d dalijimo įrenginys. Žiedinę optinę grandinę sudaro optinis raktas 15 (prioritetiškai, akusto-optinis moduliatorius), skaidulinis cirkuliatorius 16, dispersinis elementas 17 (prioritetiškai, čirpuota skaidulinė Brego gardelė (CFBG)) ir skaidulinis stiprintuvas 18. Visi komponentai yra sujungti vienamodėmis poliarizaciją išlaikančiomis optinėmis skaidulomis. Po kiekvieno žiedinės optinės grandinės apėjimo dalis impulso yra išvedama iš optinės grandinės 31 per išėjimą 5, o dalis vėl sugrąžinama į žiedinę optinę grandinę. CFBG 17 yra elementas, atliekantis pagrindinę norimą funkciją – faziškai moduliuoja impulsą ir tuo būdu keičia impulso trukmę (pagrindinį indėlį žiedinės optinės grandinės dispersijos parametro Dλ vertei turi būtent CFBG 17 dispersijos parametro vertė). Impulsą suformuojančios spektrinės komponentės virpa skirtinga faze ir dėl to pasižymi nešančiojo dažnio moduliacija. Čirpuotas impulsas yra ilgesnis nei tokio paties spektro pločio impulsas be fazinės moduliacijos. Spektrinėje srityje ties 1010 nm–1080 nm optinėse skaidulose yra normalios dispersijos sritis, tai irgi lemia impulso ilgėjimą dėl spektrinių impulso komponenčių skirtingų greičių (medžiaginė dispersija). Sklisdamos skaidula, ilgabangės komponentės aplenkia trumpabanges komponentes. Impulsų plėtimui naudojama CFBG 17, turinti tokį pat kaip skaidula dispersijos ženklą, padidina bendrąją sistemos dispersiją (kitoje šio išradimo realizacijoje gali būti panaudotas ir priešingo dispersijos ženklo dispersinis elementas 17, kurio dispersija perkompensuotų medžiaginę skaidulų dispersiją ir sukurtų priešingo ženklo impulso fazinę moduliaciją). 11c impulsas po sąveikos su CFBG 17 yra ilgesnis už impulsą 11b. Skaidulinis stiprintuvas 18, kuris yra aktyviaisiais jonais legiruota optinė skaidula, gali tik kompensuoti nuostolius arba gali sustiprinti išplėstą impulsą. Kaupinimo spinduliuotės įvedimas yra galimas keliais skaidulinėje optikoje žinomais būdais (brėžinyje nepavaizduotas, nes nėra šio išradimo objektas).

[0095] Pirminis lazerinis šaltinis 1 gali būti ultratrumpųjų impulsų skaidulinis osciliatorius, generuojantis 100 fs–400 fs trukmės impulsus. Prioritetinėje šio išradimo realizacijoje, CFBG užtikrina aukštą atspindžio koeficientą 20 nm pločio spektro juostoje aplink osciliatoriaus spinduliuotės centrinį bangos ilgį. Idealiausias variantas, kai CFBG atspindžio profilis yra plokščios viršūnės. Jeigu CFBG atspindžio spektras yra siauresnis už spinduliuotės spektro plotį, CFBG tuo pačiu veiks ir kaip spektrinis filtras. Tokiu atveju, impulso trukmės kitimui įtakos turės ne tik fazės moduliavimas, bet ir spektro pločio pokyčiai.

[0096] Kai yra pasiekiama reikiama impulso trukmė, impulso cirkuliacija žiedinėje optinėje grandinėje yra nutraukiama optiniu raktu 15, kuris išmeta viduje cirkuliuojantį impulsą į antrą išėjimą 12 arba į gaudyklę. Impulsas 19, išmestas per antrą išėjimą 12, išeina su nedideliu uždelsimu nuo paskutinio sekos 6 impulso 10, ir taip pat gali būti panaudotas. Jei optinis raktas 15 dalį spinduliuotės nukreipia į antrą išėjimą 12 ir ankstesnių ciklų metu, išėjime 12 yra ne vienas impulsas 19, o impulsų seka, kurioje impulsai taip pat pasikartoja periodu T2. Optinės grandinės 3 išėjimuose 5 ir 12 yra impulsų sekos, sinchronizuotos tarpusavyje – tai gali būti naudinga. Taip pat optinė grandinė 3 gali turėti daugiau negu du išėjimus. Papildomi išėjimai gali būti organizuojami per jau esamus ar papildomus elementus: CFBG 17, papildomus daliklius ir panašiai. Kol nepasireiškia netiesiniai reiškiniai ir/ar spektro filtravimas, minėtų optinės grandinės 3 komponentų išdėstymo eiliškumas šio išradimo tikslams pasiekti nėra svarbus, svarbi tik bendro optinės grandinės 3 dispersijos parametro Dλ vertė.

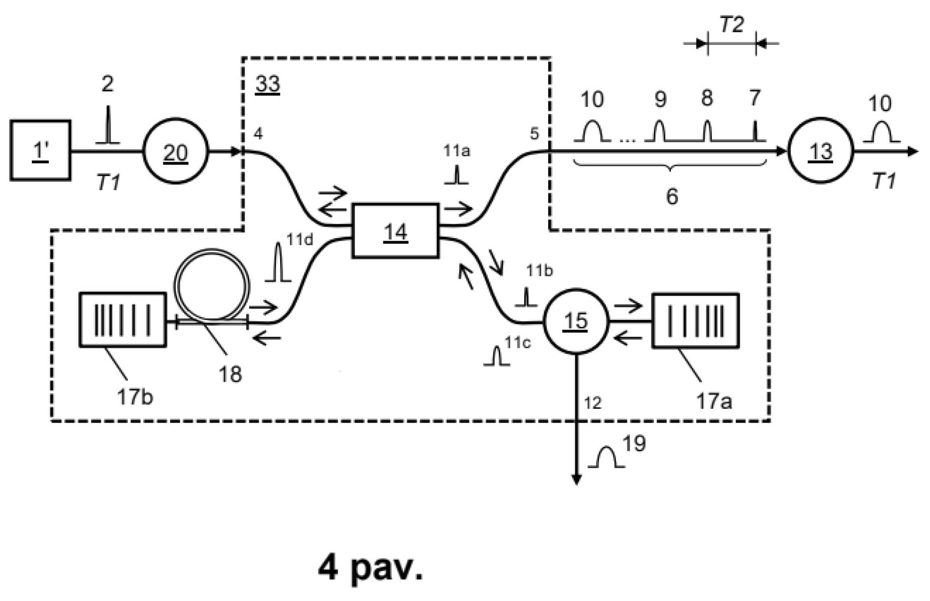
[0097] Kaip jau minėta, žiedinės optinės grandinės bendras ilgis užtikrina T2 intervalą tarp išėjimo impulsų 7–10, kuris yra ne mažesnis kaip 6 ns ir bent 5 kartus ilgesnis už išėjimo impulsų sekos 6 ilgiausio impulso trukmę pusės intensyvumo aukštyje. Nuo optinės grandinės bendro dispersijos parametro Dλ vertės priklauso, kokiu tikslumu ir greičiu keičiama impulso trukmė. Kadangi pagrindinį indėlį žiedinės optinės grandinės dispersijos parametro Dλ vertei turi CFBG 17 dispersijos parametro vertė, siekiant reikšmingo impulso išplėtimo ar plataus trukmių derinimo diapazono CFBG 17 dispersijos parametras turi būti kiek galima didesnis. Siekiant tolygesnio impulso trukmės paderinimo, CFBG 17 dispersijos parametras turi būti mažas. Šio išradimo įrenginiu lazerinės spinduliuotės impulso trukmei ir energijai valdyti pasiekiame derinamą impulso trukmę ribose nuo 100 fs iki 10 ns, išlaikydami koherentiškumo ilgį, neviršijantį 300 µm.

[0098] Kalbant apie stiprinimą žiedinėje optinėje grandinėje, yra galimi tokie variantai:

[0099] - impulsai stiprinami taip, kad sekos 6 impulsų energijos būtų vienodos;

[0100] - impulsai stiprinami taip, kad būtų gauta norima sekos 6 gaubtinė, ir fazinė savimoduliacija nepasireikštų nei vienam impulsui;

[0101] - impulsai stiprinami taip, kad būtų gauta norima sekos 6 gaubtinė, ir pasireikštų fazinė savimoduliacija (vienam arba keliems intensyviausiems impulsams). Fazinė savimoduliacija lemia papildomų spektrinių komponenčių atsiradimą, tad praplatėjusio spektro faziškai moduliuotas impulsas 11d papildomai pailgėtų.

[0102] 3 pav. – šio išradimo įrenginio kitas išpildymo variantas. Plačiajuosčio lazerinio šaltinio 1 impulsų trukmė yra valdoma optine grandine 32, kurioje stiprintuvas 18 yra patalpintas žiedinės optinės grandinės atšakoje. Šiuo atveju vieno apėjimo metu impulsas du kartus patiria stiprinimą: prieš patenkant į CFBG 17 ir po jos. Impulso amplitudės evoliucija optinėje grandinėje 32 šiek tiek skirsis nuo impulso amplitudės evoliucijos optinėje grandinėje 31. Impulso trukmės pokyčiai vieno žiedinės optinės grandinės apėjimo metu priklausys nuo CFBG 17 dispersijos, nuo to, ar stiprintuve 18 pasireiškia impulso fazinė savimoduliacija ir (arba) stiprinimo sotis. Nesant fazinės savimoduliacijos ir stiprinimo soties, impulso trukmės pokyčiai optinėje grandinėje 32 sutaps su impulso trukmės pokyčiais optinėje grandinėje 31.

[0103] 4 pav. – šio išradimo įrenginio dar vienas išpildymo variantas. Įrenginys impulso trukmei ir energijai valdyti yra optinė grandinė 33, kuri šiuo atveju yra ne žiedo pavidalo, o sudaryta iš dviejų atšakų: pirma atšaka užsibaigia skaiduline Brego gardele 17a, atspindinčia impulsą atgal, kuris grįžta tuo pačiu keliu iki pluošto daliklio 14. Toliau, pluošto daliklyje 14 vėl vyksta impulso dalijimas, ir dalis impulso patenka į antrą atšaką, užsibaigiančią kita skaiduline Brego gardele 17b, kuri vėl atspindi impulsą atgal. Taip įvyksta vienas optinės grandinės 33 apėjimas, per kurį vyksta impulso dalijimas, stiprinimas ir dispersijos valdymas. Jei abi gardelės 17a ir 17b yra CFBG, jos veikia kaip du nepriklausomi impulso dispersijos valdymo įrenginiai. Taigi vieno optinės grandinės 33 apėjimo metu impulsas yra faziškai moduliuojamas du kartus, o taip pat dukart praeina stiprintuvą 18, kuris gali būti patalpintas bet kurioje iš minėtų atšakų. Kaip ir žiedinėse schemose (2 pav., 3 pav.), optinėje grandinėje 33 yra optinis raktas 15, kuris nutraukia impulso cirkuliaciją (per antrąjį išėjimą 12 išveda impulsą 19) ir apsaugo nuo triukšmų stiprinimo. Siekiant apsaugoti pirminį lazerinį šaltinį 1 nuo per įėjimą 4 grįžtančio impulso, tokioje išradimo realizacijoje yra būtinas izoliatorius 20 arba kitos priemonės.

[0104] 5 pav. ir 6 pav. pateikti modeliavimo rezultatai, kaip išėjimo impulso 10 trukmė kinta priklausomai nuo apėjimų skaičiaus aktyvioje dispersinėje optinėje grandinėje. Modeliavimui pasirinkti tokie parametrai:

[0105] - pradinio impulso 2 spektro forma yra gausinė, o spektro plotis pusės maksimalaus intensyvumo aukštyje lygus 7,5 nm;

[0106] - pradinis impulsas yra spektriškai ribotas (nečirpuotas), trukmė lygi 202 fs;

[0107] - CFBG atspindžio koeficientas visoms spektrinėms komponentėms yra vienodas;

[0108] - stiprintuvas spektro pločio ir formos nekeičia;

[0109] - yra įskaitoma tik antros eilės optinės grandinės dispersija:

[0110] 21 – kai minėto bendro dispersijos parametro Dλ modulis lygus 0,036 ps/nm;

[0111] 22 – kai 0,071 ps/nm;

[0112] 23 – kai 0,142 ps/nm;

[0113] 24 – kai 2,7 ps/nm;

[0114] 25 – kai 12 ps/nm;

[0115] 26 – kai 27 ps/nm.

[0116] Mažo dispersijos parametro atveju (5 pav.) per 50 apėjimų impulso trukmė yra padidinama iki 13,32 ps, 26,66 ps ir 53,33 ps, atitinkamai. Didelio dispersijos parametro atveju (6 pav.) per 50 apėjimų impulso trukmė yra padidinama iki 1,01 ns, 4,50 ns ir 10,13 ns, atitinkamai. Kuo mažesnė aktyvios dispersinės optinės grandinės bendra dispersija, tuo mažesniu žingsniu galima derinti išėjimo impulsų trukmę. 5 pav. 21–23 priklausomybėse impulso trukmės keitimo žingsnis yra 0,26 ps, 0,53 ps ir 1,06 ps, atitinkamai. Didelis dispersijos parametras lemia didelį trukmės derinimo žingsnį, leidžia greičiau pasiekti ilgųjų trukmių sritį, tačiau su mažesniu tikslumu. 6 pav. 24–26 priklausomybėse impulso trukmės keitimo žingsnis: 20 ps, 90 ps ir 203 ps, atitinkamai. Toliau didinant apėjimų skaičių ir kompensuojant nuostolius, pasiekiamas dar platesnis impulso trukmės derinimo diapazonas.

[0117] Realiose sistemose galima susidurti su spektro siaurinimo problema stiprintuve ir dispersiniame elemente. Realūs stiprinimo profiliai ir dispersinio elemento atspindžio profilis (atspindžio koeficiento priklausomybė nuo bangos ilgio) šiek tiek modifikuoja cirkuliuojančios spinduliuotės spektrą, dažniausiai – siaurina jį. Todėl impulso trukmės kitimas sulig kiekvienu aktyvios dispersinės optinės grandinės apėjimu gali skirtis, pavyzdžiui, didėti lėčiau N atžvilgiu nei sumodeliuota 5 pav., 6 pav. grafikuose. Aukštesnės eilės dispersijos egzistavimas taip pat gali turėti įtakos realios sistemos impulso trukmės priklausomybei nuo dispersinės optinės grandinės apėjimų skaičiaus.

[0118] 7 pav. ir 8 pav. – šio išradimo įrenginio išpildymo variantai, skirti plačiam impulso trukmės derinimo diapazonui pasiekti, neprarandant galimybės impulso trukmę valdyti dideliu tikslumu.

[0119] 7 pav. išpildymo variante yra naudojama dviejų minėtų išorinių dispersinių optinių grandinių 3′, 3′′, realizuotų pagal 2 pav. arba 3 pav. brėžinius seka. Pirmosios išorinės dispersinės optinės grandinės 3′ su dispersiniu elementu 17′ bendras dispersijos parametras yra didelis, todėl impulso trukmė sulig kiekvienu apėjimu didėja sparčiai (kaip pavyzdžiui 6 pav. modeliavimuose). Antrosios išorinės dispersinės optinės grandinės 3′′ su dispersiniu elementu 17′′ bendras dispersijos parametras yra mažas, todėl impulso trukmė jame didėja lėčiau (kaip pavyzdžiui 5 pav. modeliavimuose). Kombinuojant dvi minėtas optines grandines 3′, 3′′, ir pasirenkant norimą impulso apėjimų skaičių (N1, N2) kiekvienoje iš jų, galima: 1) per nedidelį skaičių apėjimų pirmojoje optinėje grandinėje 3′ impulsą pailginti nuo keliasdešimties iki tūkstančių kartų; 2) tuomet, optiniu raktu 13 išskyrus impulsą 10, toliau jį – jau nedideliu žingsniu – ilginti antrojoje optinėje grandinėje 3′′. Optinis raktas 27 išskiria išėjimo impulsą 50 iš optinės grandinės 3′′ suformuotos impulsų sekos.

[0120] 8 pav. išpildymo variante yra viena išorinė dispersinė optinė grandinė 3′′′, kurios žiede yra komutatorius 40, nukreipiantis viduje cirkuliuojantį impulsą arba į pirmą atšaką 28, užsibaigiančią dispersiniu elementu 17′, arba į antrą atšaką 29, užsibaigiančią dispersiniu elementu 17′′. Dispersinių elementų 17′, 17′′ parametrai skiriasi, todėl impulso trukmės kitimo evoliucija priklauso nuo to, kuria atšaka impulsas sklinda. Jeigu pirmuosius N1 apėjimų impulsas sklinda pirmąja atšaka 28, tai impulsų 41, 42, 43 trukmės skiriasi šimtais kartų. Jei vėliau komutatorius 40 nukreipia impulsą į antrąją atšaką 29, impulso trukmės didėjimas sulėtėja ir N2 impulsų 49, 50 trukmės skiriasi nedaug (vieno impulso trukmės eilės ar mažesniu dydžiu).

[0121] Kadangi minėtose optinėse grandinėse 3, 31–33, 3′, 3′′, 3′′′ yra stiprintuvas 18, galima realizuoti itin didelį apėjimų skaičių. Apribojimai, iki kiek galima padidinti impulso trukmę, gali kilti dėl jau minėto spektro siaurinimo ir periodų T1 ir T2 verčių. T1 nusako ilgiausią išėjimo impulsų sekos 6 trukmę (1 pav.–4 pav.), o T2 – atstumą tarp sekos 6 impulsų arba, kitaip sakant, kokios trukmės impulsai dar gali būti atskirti. Jei norima impulsą pailginti iki 10 ns trukmės, žiedinės optinės grandinės apėjimo laikas T2 turi būti bent 50 ns arba ilgesnis. Jei norima impulsą pailginti iki >10 ns trukmės, žiedinės optinės grandinės apėjimo laikas T2 turi būti padidintas.

[0122] Pagal dar vieną šio išradimo realizaciją dispersinis optinis elementas 17 yra čirpuota tūrinė Brego gardelė CVBG. Nėra jokių apribojimų, kokio maksimalaus dydžio šio išradimo aktyvios dispersinės optinės grandinės dispersijos parametras Dλ gali būti. Tik technologinės čirpuotų Brego gardelių ribos, apsprendžia, kokio dydžio dispersija gali būti pasiekta vienu dispersiniu elementu. Yra žinoma, kad CFBG ir CVBG dispersinio parametro vertė gali siekti nuo kelių dešimčių iki kelių šimtų ps/nm. Optinės grandinės bendras dispersijos parametras Dλ įskaito visų komponentų dispersiją, tačiau yra pagrindinai apspręstas dispersinio optinio elemento 17 ar elementų 17a, 17b dispersijos parametro vertės. Norint per vieną apėjimą turėti dispersinį parametrą Dλ, kurio neįmanoma pasiekti rinkoje esančiomis CFBG ar CVBG, reikia integruoti kelis dispersinius elementus – kaip 4 pav. arba kitais žinomais būdais, pavyzdžiui, naudojant kelis cirkuliatorius ar formuojant žiedinės optinės grandinės atšaką, kurioje impulsas nuosekliai sąveikauja su keliais dispersiniais elementais. Formulė impulso trukmei po N apėjimų apskaičiuoti: TN = T0 + N*Δλ*Dλ, kur T0 yra pradinė impulso trukmė. Formulė galioja, kai pradinis impulsas yra spektriškai ribotas arba kai yra faziškai moduliuotas, ir jo dispersijos ženklas sutampa su optinės grandinės 3 dispersijos ženklu. Jei pradinis impulsas yra faziškai moduliuotas, ir jo dispersijos ženklas nesutampa su optinės grandinės 3 dispersijos ženklu, minėta formulė galios nuo to apėjimo, kada dispersija bus sukompensuota; vietoj N reikia įrašyti (N–K), kur K – apėjimų skaičius iki dispersijos sukompensavimo, o T0 – spektriškai ribota impulso trukmė. Jei pradinio impulso fazinė moduliacija yra labai nedidelė, o optinės grandinės 3 dispersijos parametras didelis, ir dispersijos perkompensavimas įvyksta pirmo apėjimo metu, minėta formulė apytiksliam trukmės įvertinimui taip pat tinka.

[0123] Pavyzdys nr.1:

[0124] Aktyvia dispersine optine grandine 3 (arba 31–33), kurios bendro dispersijos parametro Dλ modulis lygus 30 ps/nm, sklinda 15,6 nm spektro pločio spinduliuotė. Per vieną apėjimą spektriškai ribotas 100 fs trukmės ties 1030 nm gausinis impulsas pailgėja 468 pikosekundėmis, o per 10 apėjimų tampa 4,68 ns trukmės.

[0125] Pavyzdys nr.2:

[0126] Spinduliuotės spektro plotis lygus 7,8 nm. Jei parenkama didesnės dispersijos CFBG, ir bendro optinės grandinės 3 dispersijos parametro Dλ modulis lygus 60 ps/nm, tai per vieną apėjimą impulso trukmės pokytis irgi lygus 468 ps, ir per 10 apėjimų spektriškai ribotas 200 fs impulsas pailgėja iki 4,68 ns.

[0127] Pavyzdys nr.3:

[0128] Naudojant vieną arba kelias CFBG taip, kad bendras optinės grandinės dispersijos parametro modulis yra ne mažesnis kaip 258 ps/nm, 400 fs spektriškai ribotą impulsą galima pailginti iki 10 ns per 10 apėjimų. Tačiau žingsnis yra gana didelis – 1 ns.

[0129] Taigi, siekiant tam tikro numatyto dydžio impulso trukmės kitimo spartos, siauresnio spektro spinduliuotei reikalinga didesnė bendro optinės grandinės 3 dispersijos parametro vertė. Jei turimo dispersinio optinio elemento 17 dispersijos vertė yra per maža, didesnį bendrą optinės grandinės 3 dispersijos parametrą Dλ galima pasiekti naudojant kelis dispersinius elementus. Vienodo ženklo dispersinių elementų dispersinių parametrų vertės susideda. Taigi galima pasiekti ir kelių šimtų ps/nm dispersijos parametro Dλ vertę. Konkrečiam taikymui pasirenkama Dλ vertė, kuri nulemia ir trukmės derinimo žingsnį. Siekiant tolygesnio trukmės derinimo, reikalingas didesnis apėjimų skaičius.

[0130] Pavyzdys nr.4:

[0131] Pirminio lazerinio šaltinio 1 dažnis lygus 1 MHz, tuomet T1 = 1000 ns. Į 1000 ns laiko intervalą gali tilpti seka 6, sudaryta iš 20 impulsų, atskirtų laiko intervalu T2 = 50 ns. Jeigu su pasirinktu dispersiniu elementu reikia daugiau apėjimų norimai impulso trukmei pasiekti, galima:

[0132] 1) sumažinti pirminio lazerinio šaltinio 1 dažnį, kad T1 pailgėtų;

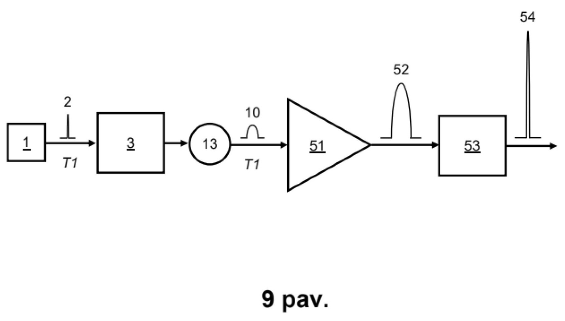
[0133] 2) naudoti 7 pav. arba 8 pav. įrenginį ir metodą.

[0134] Pavyzdys nr.5:

[0135] Yra reikalinga 999 apėjimų dispersinėje optinėje grandinėje 3. Seka 6 yra sudaryta iš 1000 impulsų 7–10. Atskirti T2 = 50 ns intervalais, jie užima 50 µs laiko langą. Todėl maksimalus sistemos dažnis gali būti 20 kHz.

[0136] Pavyzdys nr.6:

[0137] Pradinė impulso trukmė lygi 202 fs. N1=10 apėjimų impulsas yra ilginamas optinėje grandinėje 3′ (žr. 7 pav.), kurios dispersijos parametras lygus -27ps/nm. Po dešimties apėjimų, impulsas tampa 2,025 ns trukmės (žr. 6 pav.). Iš impulsų sekos išskirtas šis impulsas 10 toliau yra plečiamas antroje optinėje grandinėje 3′′, kurios dispersijos parametras lygus -0,142ps/nm. Dabar sulig kiekvienu apėjimu impulsas pailginamas maždaug po 1,06 ps (žr. 5 pav.). Jei N2=49, galima turėti 50 impulsų seką, kurių trukmės bus 2,025 ns – 2,077 ns intervale. Vartotojas galės pasirinkti bet kurį iš penkiasdešimties impulsų. Abiejų optinių grandinių 3′, 3′′ minimalus apėjimo laikas turės būti ~10 ns. Ilgiausio impulso suformavimui reikalingas 600 ns laiko langas. Tad sistemos pasikartojimo dažnis gali būti ne didesnis kaip 1,67 MHz.

[0138] Greta taikymų, kuriems reikalinga pasirenkama impulsų trukmė ir/arba mažas koherentiškumo ilgis nanosekundinėje spinduliuotėje, šio išradimo įrenginys gali būti pritaikytas kaip labai kompaktiškas, lanksčių parametrų, vien tik elektroniškai valdomas impulsų plėstuvas faziškai moduliuotų impulsų stiprinimo (CPA) sistemoje. Realių dispersinių komponentų dispersija yra ribota ir didelę dispersiją realizuoti yra problematiška. Šio išradimo įrenginiu reikiamą dispersijos kiekį prirenkame per kelis apėjimus turimame dispersiniame elemente. Pavyzdžiui, yra konstruojama labai didelė lazerinė sistema su unikaliomis galutinėmis specifikacijomis. Naudodami CPA techniką, sustipriname impulsus iki labai didelių energijų. Pagrindinis ribojantis faktorius yra netiesiniai reiškiniai stiprintuvuose, pasireiškiantys esant aukštai smailinei galiai. Kad smailinė galia neviršytų pavojingos ribos, impulsus reikia ilginti. Iš osciliatoriaus sugebame pasiimti iki kelių šimtų ps išplėstą impulsą. Norint išplėsti daugiau, reikia dar vieno plėstuvo, ir taip toliau. O su šio išradimo įrenginiu, turinčia žiedinę optinę grandinę, didelė impulso trukmė yra pasiekiama vienu dispersiniu elementu. Įrenginys pasižymi dideliu lankstumu: impulso trukmę ir energiją galima pasirinkti plačiose ribose, o esant poreikiui, pakeisti.

[0139] 9 pav. pavaizduota CPA sistema su integruotu šio išradimo įrenginiu lazerinės spinduliuotės trukmei ir energijai valdyti. Plačiajuosčio ultratrumpųjų impulsų osciliatoriaus 1 impulsas 2 yra tokios trukmės, kad, stiprinant jį stiprintuvu 51, pasireikš netiesiniai reiškiniai, pakeičiantys spinduliuotės erdvines ir laikines savybes bei galintys pažeisti optinius elementus. Šio išradimo aktyvi dispersinė optinė grandinė 3 suformuoja impulsų seką, iš kurios optiniu raktu 13 yra išskiriamas padidintos trukmės impulsas 10. Aukščiau aprašytais būdais galima suformuoti tinkamos trukmės impulsą 10, priderintą prie pasirinktų stiprintuvo 51 parametrų taip, kad būtų maksimaliai išnaudotas stiprintuvo potencialas ir dar nepasireikštų netiesiniai reiškiniai. Sustiprinus faziškai moduliuotą impulsą 10, yra gaunamas impulsas 52, kurį suspaudus impulsų spaustuvu 53 yra gaunamas itin aukštos smailinės galios impulsas 54. Suspausto impulso 54 trukmė gali būti lygi ultratrumpajai osciliatoriaus impulso 2 trukmei.

[0140] Šio išradimo įrenginio lankstumas iliustruojamas tokiais pavyzdžiais:

[0141] Situacija nr. 1: teorinis modeliavimas, kiek stipriai stiprinimas susiaurins spektrą ir sutrumpins impulsą, buvo netikslus, ir realybėje impulsas sutrumpėja per daug. Šio išradimo įrenginyje pridėjus vieną ar kelis apėjimus, per stiprų impulso sutrumpėjimą galima kompensuoti. Tuo tarpu standartinėje schemoje, esant poreikiui kompensuoti stiprinimo poveikį spektrui, reikėtų daryti plėstuvo modifikaciją.

[0142] Situacija nr. 2: dirbant su itin aukštų energijų sistemomis, konkrečiai – OPCPA sistemomis, jų derinimas yra problematiškas, nes dirbama netoli pažeidimo slenksčio ir dydis bei sąlygos (vakuumas) neleidžia lengvai keisti parametrų. Parametrinių pakopų kaupinimui paprastai naudojami impulsai iš CPA stiprintuvų. OPCPA sistemos derinimui reikalingas impulsas, savo energija panašus į darbinį impulsą, o trukmė galėtų būti ir didesnė, kad nebūtų peržengta smailinės galios ribinė vertė. Šio išradimo įrenginyje visai nesunku, tiesiog padidinus apėjimų skaičių, suformuoti žymiai ilgesnius impulsus. OPCPA sistemos derinimo režime kaupinimui naudojamos CPA sistemos impulsų plėstuvas, realizuotas šio išradimo rėmuose, impulsą išplėstų daugiau negu geba sukompensuoti impulsų spaustuvas. Suderinus sistemą ir perėjus į darbinį (veikos) režimą, impulsų plėstuve būtų sumažinamas apėjimų žiedinėje grandinėje skaičius iki darbinio apėjimų skaičiaus. Darbiniame režime impulsų spaustuvas impulso dispersiją kompensuotų ir suspaustų iki darbinės impulso trukmės. Perėjimas iš derinimo į darbinį režimą būtų atliekamas tik elektroniškai, o sistemos optiniai elementai stovėtų nepajudinami.

[0143] Pavyzdžiui, CPA lazerinės sistemos pagal 9 pav. impulsas 54 po impulsų spaustuvo 53 būtų naudojamas OPCPA sistemos parametrinio kristalo kaupinimui. Šio išradimo rėmuose visai nesunku suformuoti dviejų skirtingų trukmių – OPCPA sistemos veikai skirtos trukmės ir OPCPA sistemos derinimui skirtos trukmės impulsus 54. Siekiant suformuoti minėtus dviejų skirtingų trukmių impulsus 54 po impulsų spaustuvo 53, impulsų plėstuvas, kuris yra realizuotas pagal šio išradimo būdo ir įrenginio principus, suformuoja dviejų skirtingų trukmių faziškai moduliuotus impulsus 10: 1) veikai skirtos trukmės T′ ir 2) derinimui skirtos trukmės T′′, kur T′′>T′. Veikai skirtos trukmės impulso formavimo metu impulso dalis 11b atlieka N1 apėjimų optinėje grandinėje 3, ir jo trukmė lygi T′ = T0 + N1*Δλ*Dλ, kur T0 yra spektriškai ribota impulso trukmė. Derinimui skirtos trukmės impulso formavimo metu impulso dalis 11b atlieka N2 apėjimų optinėje grandinėje 3, ir jo trukmė lygi T′′ = T0 + N2*Δλ*Dλ, N2>N1. Kadangi impulsų spaustuvas 53 yra suderintas kompensuoti fazinę moduliaciją impulso 10, kurio trukmė lygi T′, impulsas, kurio trukmė T′′ nebus suspaustas. T′′ gali būtų du ir daugiau kartų didesnė už T′, kad OPCPA sistemos derinimas vyktų saugiomis sąlygomis. Pagal vieną iš realizacijų, OPCPA sistemos veikos režime parametrinio kristalo kaupinimui naudojamo impulso 54 trukmė T′ yra lygi pirminio lazerinio šaltinio 1 impulso 2 trukmei, o OPCPA sistemos derinimo režime impulso 54 trukmė T′′ yra bent du kartus didesnė už impulso 2 trukmę.

[0144] Situacija nr. 3: gauti dvigubai ilgesnius CPA sistemos impulsus, skirtus OPCPA sistemos derinimui ir paskui perjungti į darbinės impulsų trukmės režimą galima ir dar viena šio išradimo realizacija. Šio išradimo įrenginyje į žiedinę optinę grandinę per komutatorių integruojant dvi atšakas, kuriose yra priešingo dispersijos ženklo dispersiniai elementai, gaunami impulsai, kurių fazinės moduliacijos ženklas yra priešingas. Dispersiniai elementai, kurių dispersijos parametrų moduliai sutampa ir skiriasi tik dispersijos ženklas, sąlygotų vienodą impulso pailgėjimą. Tarkim CPA sistemos impulsų spaustuvas yra suprojektuotas suspausti teigiamos fazinės moduliacijos impulsus, tai neigiamos fazinės moduliacijos impulsus dar labiau išplės. Su ta pačia CPA sistema, nieko nejudinant visoje grandinėje, galima turėti du režimus: derinimo (kai komutatorius nukreipia impulsą į pirmą atšaką su neigiamos dispersijos elementu) ir veikos režimą (kai komutatorius nukreipia impulsą į antrą atšaką su teigiamos dispersijos elementu). Didelės energijos faziškai moduliuotų impulsų stiprintuvas, kuriame galima greitai ir saugiai pakeisti impulsų trukmę, nepajudinus nei vieno impulsų spaustuvo optinio elemento, turėtų daug privalumų prieš standartines OPCPA sistemas.

[0145] Būtent CPA ir OPCPA lazerinėje sistemoje gali būti itin aktualus labai tikslus impulso trukmės paderinimas, aprašytas pavyzdyje nr.6. Kad būtų maksimaliai išnaudotas visas CPA stiprintuvo potencialas ir dar nepasireikštų netiesiniai reiškiniai, reikia tiksliai parinkti impulso trukmę, kuri leistų pasiekti maksimalią energiją, neperžengiant ribinės smailinės galios. O CPA stiprintuvo impulso trukmė yra svarbi tolimesnėje pakopoje – OPCPA sistemoje. Galutinė impulso spūda, kuri paprastai paderinama impulsų spaustuvu, gali būti paderinta šio išradimo daugialėkiu impulsų spaustuvu.

[0146] Kitas šio išradimo sprendimo panaudojimas: išradimo įrenginys ir pats gali dirbti kaip regeneracinis stiprintuvas, tačiau išvengiantis skaidulinių komponentų pažeidimo. Fiksuotos trukmės impulso stiprinimas skaidulinėje optikoje labai greitai pasiekia smailinės galios ir energijos ribą, ties kuria pradeda reikštis netiesiniai reiškiniai ir skaidulinių komponentų pažeidimas. Jeigu impulsas yra ilginamas, saugi energija, su kuria dar neperžengiama smailinės galios ribinė vertė, didėja. Šio išradimo įrenginys yra ir impulso trukmės valdymo, ir stiprinimo įrenginys. Kuo daugiau apėjimų laikai impulsą žiedinėje optinėje grandinėje, tuo labiau jį galima pastiprinti. Saugaus lygio palaikymui galima panaudoti žiedinės optinės grandinės akusto-optinį moduliatorių, nes jo greičio stiprinimo suvaldymui užtenka.

[0147] Kiti šio išradimo įrenginio panaudojimo būdai apima, tačiau neapsiriboja, medžiagų apdirbimu skirtingos trukmės impulsais, medžiagų apdirbimu šimtų MHz sekomis, sudarytomis iš ilgėjančios trukmės impulsų. Taip pat galima atlikti įvairius tyrimus (kontinuumo generacijos, abliacijos efektyvumo, medicininius spektroskopinius), kuriems reikalingas lazerinis šaltinis, turintis platų impulso trukmių pasirinkimo diapazoną nuo šimtų femtosekundžių iki dešimčių nanosekundžių, ir galintis dirbti iki 1 MHz impulsų pasikartojimo dažniu. Visi taikymai, kuriems reikalinga nuo šimtų pikosekundžių iki kelių dešimčių nanosekundžių impulso trukmė ir mažas koherentiškumo ilgis, galėtų panaudoti šio išradimo įrenginį be jokių papildomų impulso formavimo pakopų.

Apibrėžtis

1. Lazerinės spinduliuotės impulso trukmės ir energijos valdymo būdas, apimantis plačiajuosčio pirminio lazerinio šaltinio impulso (2) nukreipimą į optinę grandinę (3), kurioje patekęs impulsas sklinda kaip darbinis impulsas (11) ir praeina šiuos veiksmų etapus, apibrėžiančius vieną pilną ciklą:

(A) minėto darbinio impulso (11) bent dalis (11b) yra nukreipiama į žiedinę optinę grandinę;

(B) žiedinėje optinėje grandinėje sklindanti impulso dalis (11b) patiria energijos nuostolius;

(C) jei etape (B) patirti impulso energijos nuostoliai yra mažesni už 100%, toliau žiedine optine grandine sklindanti impulso dalis (11b) sąveikauja su dispersiniu optiniu elementu, suformuojant faziškai moduliuotą impulsą (11c);

(D) minėtas faziškai moduliuotas impulsas (11c) yra pastiprinamas, suformuojant pastiprintą faziškai moduliuotą impulsą (11d);

ir toliau paminėti ciklo etapai kartojami N kartų, kur N yra bet koks sveikas skaičius, ir kiekviename sekančiame cikle minėtas pastiprintas faziškai moduliuotas impulsas (11d) per optinę grandinę (3) sklinda kaip naujas darbinis impulsas (11),

b e s i s k i r i a n t i s tuo, kad

- optinėje grandinėje (3) darbinis impulsas (11) yra padalijamas į dvi dalis, kur etape (A) darbinio impulso (11) dalis (11b), kuri yra nukreipiama į žiedinę optinę grandinę, ir kita darbinio impulso (11) dalis (11a) turi fiksuotą tarpusavio santykį, ir etape (A) darbinio impulso (11) dalis (11a) yra išvedama iš optinės grandinės (3), suformuojant išėjimo impulsą,

- minėtos optinės grandinės (3) išėjime (5) iš suformuotų po kiekvieno ciklo išėjimo impulsų suformuojama išėjimo impulsų seka (6), sudaryta iš (N+1) sekos impulsų (7–10), kurių kiekvieno paskesnio impulso trukmė skiriasi nuo prieš tai buvusio sekos impulso trukmės dydžiu ΔT = Δλ*Dλ, kur Dλ yra minėtos optinės grandinės (3) dispersijos parametras, o Δλ yra spinduliuotės spektro plotis; pirmo (7) ir paskutinio (10) impulsų trukmės skiriasi dydžiu ΔTN = N*Δλ*Dλ.

2. Būdas pagal 1 punktą, kur darbinio impulso (11) dalių (11b) ir (11a) fiksuotas santykis yra parinktas ribose nuo 1%:99% iki 99%:1%.

3. Įrenginys lazerinės spinduliuotės impulso trukmei ir energijai valdyti, turintis optinę grandinę (3), pasižyminčią pluošto difrakcijos kompensavimo, dispersijos ir stiprinimo savybėmis ir apimantis:

- elementą, skirtą plačiajuosčio pirminio lazerinio šaltinio (1) impulsui (2) įvesti į minėtą optinę grandinę (3), kurioje jis sklinda kaip darbinis impulsas (11);

- elementą (14), skirtą minėto darbinio impulso (11) bent dalies (11b) nukreipimui į žiedinę optinę grandinę;

- nuostolių valdymo elementą (15), sukonfigūruotą žiedine optine grandine sklindančios impulso dalies (11b) energijos nuostoliams valdyti;

- dispersinį optinį elementą (17), sukonfigūruotą žiedine optine grandine sklindančios impulso dalies (11b) spektrinių komponenčių fazei keisti, suformuojant faziškai moduliuotą impulsą (11c);

- optinį stiprintuvą (18), skirtą minėtam faziškai moduliuotam impulsui (11c) pastiprinti, suformuojant pastiprintą faziškai moduliuotą impulsą (11d);

kur minėtas impulso dalies (11b) nukreipimas į žiedinę optinę grandinę ir sklidimas žiedine optine grandine vyksta N kartų, kur N yra bet koks sveikas skaičius, ir kiekviename sekančiame žiedinės optinės grandinės apėjime minėtas pastiprintas faziškai moduliuotas impulsas (11d) sklinda kaip naujas darbinis impulsas (11),

b e s i s k i r i a n t i s tuo, kad

- minėtas elementas (14) yra pluošto daliklis, turintis du įėjimus ir du išėjimus ir dalijantis per bet kurį iš įėjimų patekusį impulsą į dvi dalis (11a, 11b) fiksuotu santykiu;

- iš elemento (14) pirmojo išėjimo išėjusi impulso dalis (11a) yra išvedama iš minėtos optinės grandinės (3), suformuojant išėjimo impulsą po kiekvieno žiedinės optinės grandinės apėjimo;

- iš elemento (14) antrojo išėjimo išėjusi impulso dalis (11b), atlikusi pilną žiedinės optinės grandinės apėjimą ir suformuota pastiprintu faziškai moduliuotu impulsu (11d), vėl patenka į vieną iš elemento (14) įėjimų kaip darbinis impulsas (11);

- minėtas nuostolių valdymo elementas (15) yra akusto-optinis moduliatorius, turintis vieną įėjimą ir vieną arba du išėjimus, kurio įėjimas ir vienas iš išėjimų yra sujungtas su minėta žiedine optine grandine;

iš suformuotų po kiekvieno žiedinės optinės grandinės apėjimo minėtų išėjimo impulsų yra suformuojama išėjimo impulsų seka (6), sudaryta iš (N+1) sekos impulsų (7–10), kurių kiekvieno paskesnio impulso trukmė skiriasi nuo prieš tai buvusio impulso trukmės dydžiu ΔT = Δλ*Dλ, kur Dλ yra minėtos optinės grandinės (3) dispersijos parametras, o Δλ yra spinduliuotės spektro plotis; pirmo (7) ir paskutinio (10) impulsų trukmės skiriasi dydžiu ΔTN = N*Δλ*Dλ.

4. Įrenginys pagal 3 punktą, b e s i s k i r i a n t i s tuo, kad

minėtų sekos impulsų (7–10) trukmės pusės intensyvumo aukštyje yra intervale nuo 100 fs iki 10 ns.

5. Įrenginys pagal bet kurį iš 3–4 punktų, b e s i s k i r i a n t i s tuo, kad

išėjimo impulsų sekos (6) kiekvieno paskesnio impulso trukmė yra didesnė už prieš tai buvusio impulso trukmę.

6. Įrenginys pagal bet kurį iš 3–5 punktų, b e s i s k i r i a n t i s tuo, kad

minėtų sekos (6) impulsų (7–10) koherentiškumo ilgis neviršija 300 µm.

7. Įrenginys pagal bet kurį iš 3–6 punktų, b e s i s k i r i a n t i s tuo, kad

išėjimo impulsų sekos (6) pasikartojimo dažnis yra intervale nuo 1 kHz iki 1 MHz.

8. Įrenginys pagal bet kurį iš 3–7 punktų, b e s i s k i r i a n t i s tuo, kad

pastiprinto faziškai moduliuoto impulso (11d) energija kiekvieno žiedinės optinės grandinės apėjimo pabaigoje yra didesnė už minėto darbinio impulso (11) energiją to žiedinės optinės grandinės apėjimo pradžioje.

9. Įrenginys pagal bet kurį iš 3–8 punktų, b e s i s k i r i a n t i s tuo, kad

minėtos žiedinės optinės grandinės apėjimo laikas T2 parenkamas taip, kad būtų bent penkis kartus ilgesnis už išėjimo impulsų sekos (6) ilgiausio impulso trukmę pusės intensyvumo aukštyje ir viršytų 6 ns, kur iš išėjimo impulsų sekos (6) optiniu raktu (13) yra išrenkamas bet kuris vienas impulsas.

10. Įrenginys pagal bet kurį iš 3–9 punktų, b e s i s k i r i a n t i s tuo, kad

minėtos optinės grandinės (3) visi komponentai yra skaiduliniai arba su integruotais skaiduliniais įvadais ir išvadais, kurie sudaro vientisą skaidulinę optinę grandinę:

- nuostolių valdymo elementas (15) yra skaidulinėms grandinėms skirtas akusto-optinis moduliatorius,

- optinis stiprintuvas (18) yra aktyviaisiais jonais legiruotos skaidulos segmentas,

- pluošto dalijimo elementas (14) yra skaidulinis 2x2 pluošto daliklis, kurio antras išėjimas minėtais skaiduliniais įrenginio komponentais yra sujungiamas su antruoju įėjimu taip, kad suformuotų žiedinę optinę grandinę,

- dispersinis optinis elementas (17) yra bent viena čirpuota skaidulinė Brego gardelė, kuri į optinę grandinę yra įjungta per cirkuliatorių (16), ir keičia atspindimos spinduliuotės spektrinių komponenčių fazę, ir jos parametrai užtikrina aukštą atspindžio koeficientą žiedinėje optinėje grandinėje cirkuliuojančios spinduliuotės bangos ilgiams.

11. Įrenginys pagal bet kurį iš 3–9 punktų, b e s i s k i r i a n t i s tuo, kad

minėtos optinės grandinės (3) visi komponentai yra skaiduliniai arba su integruotais skaiduliniais įvadais ir išvadais, kurie sudaro vientisą skaidulinę optinę grandinę:

- nuostolių valdymo elementas (15) yra skaidulinėms grandinėms skirtas akusto-optinis moduliatorius,

- optinis stiprintuvas (18) yra aktyviaisiais jonais legiruotos skaidulos segmentas,

- pluošto dalijimo elementas (14) yra skaidulinis 2x2 pluošto daliklis,

- optinė grandinė yra tiesinė ir yra suformuojama impulsui cirkuliuojant nuo vienos atspindinčios Brego gardelės (17a), prijungtos prie elemento (14) antro išėjimo, iki kitos atspindinčios Brego gardelės (17b), prijungtos prie elemento (14) antro įėjimo; bent viena iš minėtų atspindinčių Brego gardelių (17a, 17b) yra čirpuota skaidulinė Brego gardelė, kuri veikia kaip dispersinis optinis elementas (17), keičiantis atspindimos spinduliuotės spektrinių komponenčių fazę;

- abiejų Brego gardelių (17a, 17b) parametrai užtikrina aukštą atspindžio koeficientą optinėje grandinėje cirkuliuojančios spinduliuotės bangos ilgiams.

12. Įrenginys pagal bet kurį iš 3–11 punktų, b e s i s k i r i a n t i s tuo, kad

minėtos optinės grandinės (3) dispersijos parametro Dλ modulis yra intervale nuo 0,03 ps/nm iki 300 ps/nm.

13. Lazerinė sistema, skirta faziškai moduliuotiems impulsams stiprinti, sudaryta iš pirminio lazerinio šaltinio (1), impulsų plėstuvo, stiprintuvo ir impulsų spaustuvo (53), generuojančio suspaustą išėjimo impulsą (54), kurio trukmė yra lygi ultratrumpajai pirminio lazerinio šaltinio (1) impulso (2) trukmei arba turi tarpinę vertę tarp minėto impulso (2) trukmės ir impulso (52) po impulsų plėstuvo trukmės, b e s i s k i r i a n t i tuo, kad impulsų plėstuvo ir stiprintuvo arba tik impulso plėstuvo funkcijai atlikti yra panaudotas įrenginys lazerinės spinduliuotės impulso trukmei ir energijai valdyti pagal bet kurį iš 3–12 punktų.

14. Lazerinė sistema pagal 13 punktą, b e s i s k i r i a n t i tuo, kad stiprintuvas yra kvantinis stiprintuvas (51), parinktas iš kietakūnių ar skaidulinių stiprintuvų tarpo, kurio stiprinimo faktorius yra ne mažesnis kaip 1000; į kvantinį stiprintuvą (51) yra nukreiptas vienas faziškai moduliuotas impulsas (10), optiniu raktu (13) išskirtas iš impulsų sekos (6) minėto įrenginio lazerinės spinduliuotės impulso trukmei ir energijai valdyti optinės grandinės (3) išėjime.

15. Lazerinė sistema pagal bet kurį iš 13–14 punktų, b e s i s k i r i a n t i tuo, kad impulsų spaustuvo (53) minėtas išėjimo impulsas (54) yra naudojamas kitai sistemai kaupinti, o jo trukmė priklauso nuo minėtos lazerinės sistemos režimo: viename jos režime yra lygi pirminio lazerinio šaltinio (1) impulso (2) trukmei, o kitame režime yra bent du kartus didesnė už minėto impulso (2) trukmę.

Brėžiniai